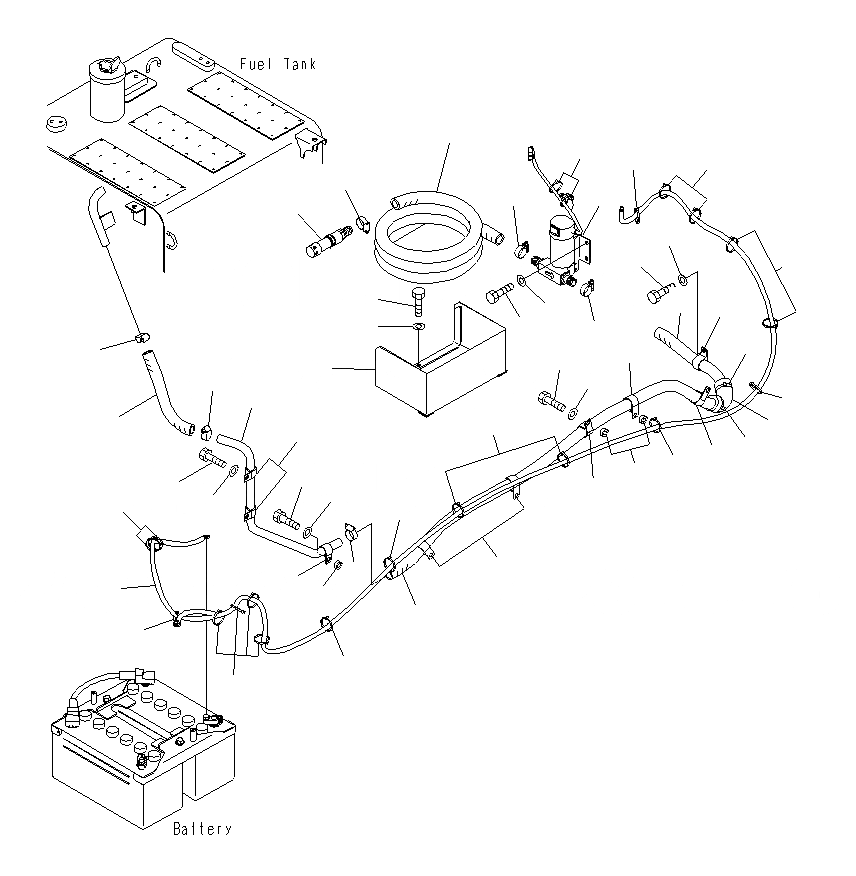
Запчасти Komatsu PC200-8M0 ТОПЛИВН. REFIL НАСОС W

Схема запчастей Komatsu PC200-8M0 - ТОПЛИВН. REFIL НАСОС W
3
6
30
30
25
25
1
2
21
20
30
27
4
19
8
28
7
9
32
19
18
23
26
24
18
10
30
30
5
31
11
32
19
30
16
22
12
17
19
30
30
13
19
14
9
29
15
4
30
30
30
FIT
1:1
100%

Артикул

Название

Примечание

Количество

1

21K-04-K1130

PUMP

2

20Y-04-K2450

FOOT VALVE A

3

20Y-04-K2351

HOSE

4

206-04-K1121

HOSE

5

206-04-K1131

HOSE

6

08034-20519

BAND

7

01010-81225

BOLT

8

01643-31232

WASHER

9

07289-00035

CLAMP

10

206-04-71130

TUBE

11

04434-52512

CLIP

12

01010-81225

BOLT

13

01643-31232

WASHER

14

04434-52512

CLIP

15

198-43-15310

COLLAR

16

01010-81235

BOLT

17

01643-31232

WASHER

18

07289-00035

CLAMP

19

581-04-22290

CLIP

20

01010-81225

BOLT

21

01643-31232

WASHER

22

198-43-15310

COLLAR

23

01010-81235

BOLT

24

01643-31232

WASHER

25

07289-00035

CLAMP

26

20Y-04-42160

BRACKET

27

01010-81020

BOLT

28

01643-31032

WASHER

29

20Y-06-41950

WIRING HARNESS

30

08034-20536

BAND

31

205-62-53780

COVER

32

08034-20834

BAND

Выбрано товаров: 32