Запчасти Komatsu PC2000-8 КАБИНА (Э/ПРОВОДКА) (КОНСОЛЬ)(№-9) КАБИНА ОПЕРАТОРА И СИСТЕМА УПРАВЛЕНИЯ

Схема запчастей Komatsu PC2000-8 - КАБИНА (Э/ПРОВОДКА) (КОНСОЛЬ)(№-9) КАБИНА ОПЕРАТОРА И СИСТЕМА УПРАВЛЕНИЯ
1
2
3
4
5
5
5
6
7
8
9
10
10
10
11
12
13
13
13
13
13
13
13
13
13
14
14
14
14
14
14
14
14
14
15
16
FIT
1:1
100%

Артикул

Название

Примечание

Количество

|$14

21T-54-00302

CAB ASS'Y

|$15

21T-54-00301

CAB ASS'Y

|$16

21T-54-00300

CAB ASS'Y

|$17

21T-54-00311

CAB ASS'Y,(WITH FRONT GUARD)

|$18

21T-54-00310

CAB ASS'Y,(WITH FRONT GUARD)

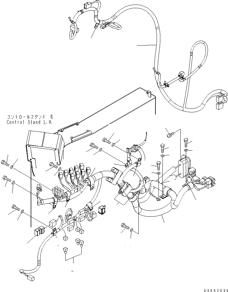
1

21T-06-32112

WIRING HARNESS

2

21J-06-13661

DIODE

3

01023-60414

SCREW

4

8233-06-3350

DIODE

5

04434-51412

CLIP

6

04434-51712

CLIP

7

04434-51912

CLIP

8

04434-52312

CLIP

9

04434-52712

CLIP

10

04434-53412

CLIP

11

01010-81016

BOLT

12

01643-31032

WASHER

13

01010-81220

BOLT

14

01643-31232

WASHER

15

21T-06-32121

WIRING HARNESS

16

04434-51710

CLIP

Выбрано товаров: 21