Запчасти Komatsu PC2000-8 ТОПЛИВН. БАК.(№-) ТОПЛИВН. БАК. AND КОМПОНЕНТЫ

Схема запчастей Komatsu PC2000-8 - ТОПЛИВН. БАК.(№-) ТОПЛИВН. БАК. AND КОМПОНЕНТЫ
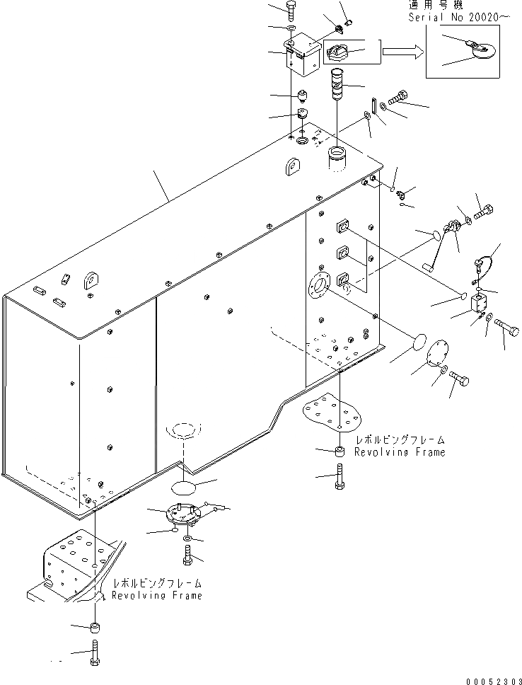
1
2
2
3
4
5
6
6
7
8
9
10
11
12
13
14
15
16
17
18
19
20
21
22
23
24
25
26
27
28
29
30
31
32
33
34
35
36
37
38
39
39
40
40
FIT
1:1
100%

Артикул

Название

Примечание

Количество

1

21T-04-31112

FUEL TANK

1

21T-04-31111

FUEL TANK

2

17A-04-41411

CAP

2

19M-04-11220

CAP

3

09460-00000

LOCK

4

07056-18422

STRAINER

4

17M-04-41190

STRAINER

5

20Y-04-21220

GAUGE

6

20N-60-41371

GASKET

7

20N-60-41360

BOLT

8

21T-04-31121

FLANGE

9

07000-B5170

O-RING

10

02896-61012

O-RING

11

07002-62034

O-RING

12

01010-81235

BOLT

13

01643-31232

WASHER

14

21T-04-31861

COVER

15

07000-B2135

O-RING

16

01010-81230

BOLT

17

01643-31232

WASHER

18

21T-04-31190

CONNECTOR

19

21T-04-31980

BREATHER

20

21T-04-31141

COVER

21

205-60-71220

LOCK ASS'Y

22

205-54-76280

ROTOR ASS'Y

23

01010-81220

BOLT

24

01643-31232

WASHER

25

02782-10516

ELBOW

26

02896-61015

O-RING

27

07002-62034

O-RING

28

7861-93-5810

SENSOR

29

07000-B3050

O-RING

30

01010-80612

BOLT

31

01643-30623

WASHER

32

21T-60-31460

BLOCK

32

600-815-3210

CASE

33

07000-B2055

O-RING

34

01010-81075

BOLT

35

01643-31032

WASHER

36

7861-93-4520

SENSOR

37

07002-63634

O-RING

38

08193-21012

CLIP

39

21T-26-11460

COLLAR

40

01011-83010

BOLT

Выбрано товаров: 44