Запчасти Komatsu PC2000-8 ОСНОВН. НАСОС (/8)(№-) ОСНОВН. КОМПОНЕНТЫ И РЕМКОМПЛЕКТЫ

Схема запчастей Komatsu PC2000-8 - ОСНОВН. НАСОС (/8)(№-) ОСНОВН. КОМПОНЕНТЫ И РЕМКОМПЛЕКТЫ
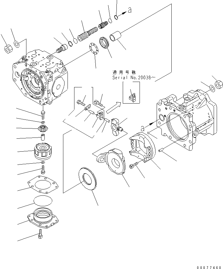
1
2
3
4
5
6
7
8
9
10
11
12
13
14
15
16
17
18
19
20
21
22
23
24
25
26
27
28
29
30
31
32
32
33
33
34
35
36
37
FIT
1:1
100%

Артикул

Название

Примечание

Количество

|$2

708-2K-00121

PUMP ASS'Y

|$3

708-2K-00120

PUMP ASS'Y

|$5

708-2K-01122

PUMP SUB ASS'Y

|$6

708-2K-01121

PUMP SUB ASS'Y

|$7

708-2K-04260

CRADLE ASS'Y

1

CRADLE

2

CAM,ROCKER

3

708-2K-13430

PLATE

4

04020-01638

PIN,DOWEL

5

708-2K-11170

O-RING

6

01252-61445

BOLT

7

708-2K-14110

PISTON

8

708-2K-14130

ROD

|$16

708-2K-03221

CAM ASS'Y

9

BRACKET

10

PIN

11

CAM

12

BOLT

13

708-2K-15180

CAM

14

720-68-19610

PIN

15

01252-61030

BOLT

16

708-2K-14210

SCREW

17

07000-B3039

O-RING

18

07001-03039

RING

19

01643-33080

WASHER

20

01583-13018

NUT

21

708-2K-14230

SCREW

22

07000-B3032

O-RING

23

07001-03032

RING

24

01643-33080

WASHER

25

01583-13018

NUT

26

708-2K-12131

COUPLING

27

GEAR

28

708-2K-12710

BEARING,THRUST

29

708-2K-11711

IMPELLER

30

708-2K-11780

SHAFT

31

PINION

32

01010-E1020

BOLT

33

708-2K-11790

WASHER

34

708-2K-11740

FLANGE

35

07000-A5135

O-RING

36

708-2K-05020

SHIM KIT

36

708-2K-11750

SHIM, 0.1MM

36

708-2K-11760

SHIM, 0.2MM

36

708-2K-11770

SHIM, 0.5MM

37

01252-61230

BOLT

Выбрано товаров: 0