Запчасти Komatsu PC2000-8 ОСНОВН. НАСОС (7/8)(№-) ОСНОВН. КОМПОНЕНТЫ И РЕМКОМПЛЕКТЫ

Схема запчастей Komatsu PC2000-8 - ОСНОВН. НАСОС (7/8)(№-) ОСНОВН. КОМПОНЕНТЫ И РЕМКОМПЛЕКТЫ
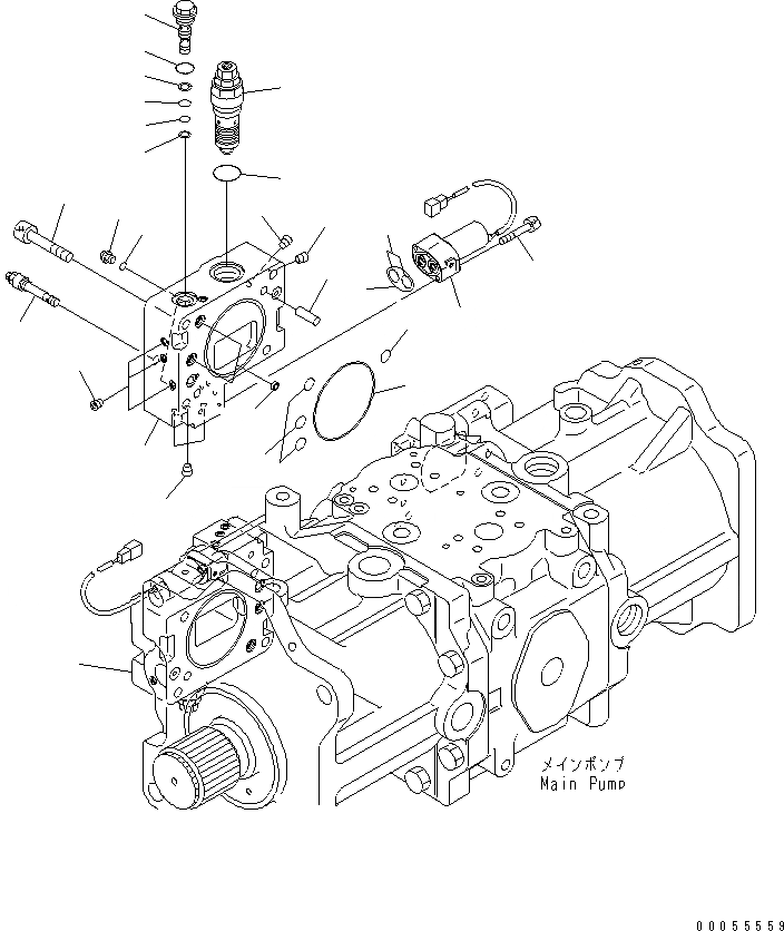
1
2
3
3
4
4
4
4
5
6
7
8
9
10
11
12
13
14
15
16
17
18
19
19
20
21
22
FIT
1:1
100%

Артикул

Название

Примечание

Количество

|$3

708-2K-00122

PUMP ASS'Y

|$4

708-2K-00121

PUMP ASS'Y

|$5

708-2K-00120

PUMP ASS'Y

|$7

708-2K-03160

SERVO VALVE ASS'Y,FRONT

1

708-8E-16150

PLUG

2

07002-61023

O-RING

|$10

708-2K-04211

BLOCK SUB ASS'Y,FRONT

3

BLOCK,FRONT

4

PLUG

5

708-2K-03550

VALVE ASS'Y

6

07002-62434

O-RING

7

07000-B2012

O-RING

8

07001-02012

RING

9

07000-B2010

O-RING

10

07001-02010

RING

11

702-21-07650

SOLENOID VALVE

12

708-2K-16320

O-RING

13

708-2K-16310

O-RING

14

203-60-62220

BOLT

15

708-2K-03820

PLUG ASS'Y

16

708-2K-03560

VALVE ASS'Y

17

07002-63634

O-RING

18

708-2L-25480

FILTER

19

708-2K-11170

O-RING

20

07000-A2110

O-RING

21

04020-01228

PIN

22

01252-61275

BOLT

Выбрано товаров: 0