Запчасти Komatsu PC2000-8 МЕХ-М ОТБОРА МОЩНОСТИ (ТРУБЫ) (ВСАСЫВ. ЛИНИИ)(№-) КОМПОНЕНТЫ ДВИГАТЕЛЯ

Схема запчастей Komatsu PC2000-8 - МЕХ-М ОТБОРА МОЩНОСТИ (ТРУБЫ) (ВСАСЫВ. ЛИНИИ)(№-) КОМПОНЕНТЫ ДВИГАТЕЛЯ
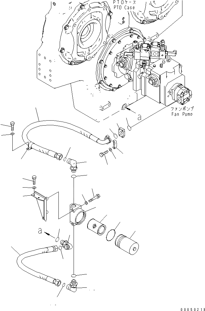
1
2
3
4
5
5
6
7
8
9
10
11
12
13
13
14
14
15
15
16
17
18
19
20
21
21
22
23
24
FIT
1:1
100%

Артикул

Название

Примечание

Количество

1

21W-62-42640

ELBOW

2

07002-23334

O-RING

3

21T-09-31160

O-RING

4

207-62-72510

HOSE, 950MM

5

21T-38-31350

FILTER ASS'Y

6

21T-38-31360

ELEMENT

7

07000-F2090

O-RING

8

21T-38-31421

BRACKET

9

01010-81035

BOLT

10

01643-31032

WASHER

11

01011-81000

BOLT

12

01643-31032

WASHER

13

21W-62-42640

ELBOW

14

07002-23334

O-RING

15

21T-09-31160

O-RING

16

21T-38-31380

HOSE

17

113-899-7950

CLIP

18

01010-81225

BOLT

19

01643-31232

WASHER

20

21T-38-31370

FLANGE

21

07000-E3032

O-RING

22

07371-31049

FLANGE

23

07372-21050

BOLT

24

01643-31032

WASHER

Выбрано товаров: 0