Запчасти Komatsu PC2000-8 ГИДР. БАК. (ТРУБКА) (/)(№-) ГИДРАВЛИКА

Схема запчастей Komatsu PC2000-8 - ГИДР. БАК. (ТРУБКА) (/)(№-) ГИДРАВЛИКА
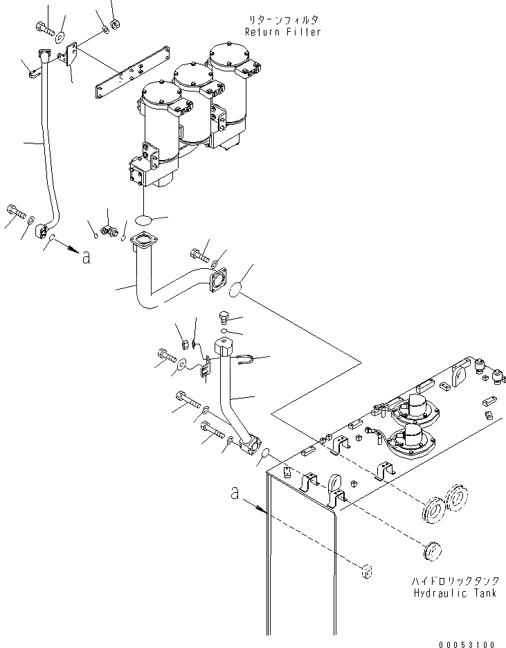
1
2
2
3
4
5
6
7
8
9
10
11
12
13
14
15
16
17
18
19
20
21
22
23
24
25
26
27
28
29
30
31
FIT
1:1
100%

Артикул

Название

Примечание

Количество

1

21T-60-31180

TUBE

2

07000-B2100

O-RING

3

01010-81235

BOLT

4

01643-31232

WASHER

5

21W-62-42640

ELBOW

6

07002-63334

O-RING

7

11Y-62-11980

O-RING

8

21T-64-33550

TUBE

9

07040-11007

PLUG

10

07002-61023

O-RING

11

07000-B2060

O-RING

12

01010-81285

BOLT

13

01643-31232

WASHER

14

01010-81270

BOLT

15

01643-31232

WASHER

16

21T-64-33641

BRACKET

17

01010-81230

BOLT

18

175-54-34170

WASHER

19

07283-36163

CLIP

20

01597-01009

NUT

21

01643-31032

WASHER

22

21T-64-33731

TUBE

23

07000-B3035

O-RING

24

01010-81060

BOLT

25

01643-31032

WASHER

26

21T-64-33770

BRACKET

27

01010-81230

BOLT

28

175-54-34170

WASHER

29

07283-33442

CLIP

30

01597-01009

NUT

31

01643-31032

WASHER

Выбрано товаров: 0