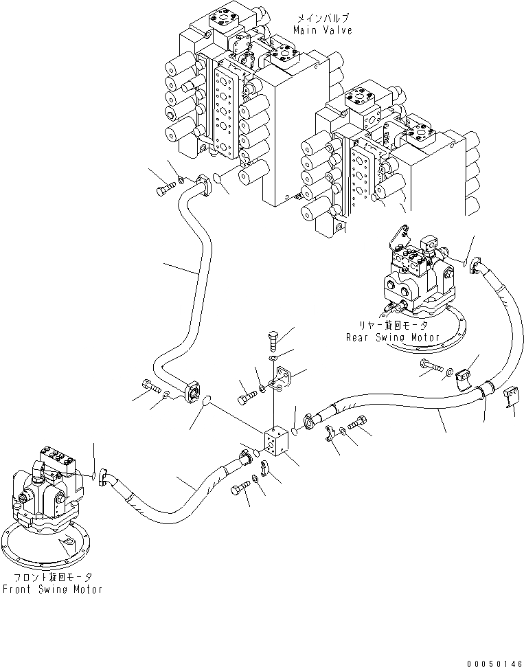
Запчасти Komatsu PC2000-8 ВОЗВРАТНАЯ ЛИНИЯ (ПОВОРОТН.)(№-) ГИДРАВЛИКА

Схема запчастей Komatsu PC2000-8 - ВОЗВРАТНАЯ ЛИНИЯ (ПОВОРОТН.)(№-) ГИДРАВЛИКА
1
2
2
3
3
4
4
5
6
7
8
9
10
11
12
12
13
14
15
16
17
17
18
19
20
21
22
22
23
24
FIT
1:1
100%

Артикул

Название

Примечание

Количество

1

21T-64-33220

TUBE

2

07000-B3048

O-RING

3

07372-21240

BOLT

4

01643-51232

WASHER

5

21T-64-33211

BLOCK

6

01010-81235

BOLT

7

175-54-34170

WASHER

8

21T-64-32470

BRACKET

9

01010-81235

BOLT

10

175-54-34170

WASHER

11

07122-01211

HOSE

12

07000-B3038

O-RING

13

07371-31255

FLANGE

14

07372-21035

BOLT

15

01643-51032

WASHER

16

07122-01217

HOSE

17

07000-B3038

O-RING

18

07371-31255

FLANGE

19

07372-21035

BOLT

20

01643-51032

WASHER

21

07095-01241

CUSHION

22

07094-11228

CLAMP

23

01010-81285

BOLT

24

01643-31232

WASHER

Выбрано товаров: 24