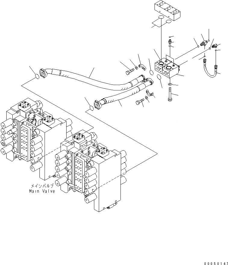
Запчасти Komatsu PC2000-8 ВОЗВРАТНАЯ ЛИНИЯ (ОСНОВН. КЛАПАН)(№-) ГИДРАВЛИКА

Схема запчастей Komatsu PC2000-8 - ВОЗВРАТНАЯ ЛИНИЯ (ОСНОВН. КЛАПАН)(№-) ГИДРАВЛИКА
1
2
2
3
4
5
6
7
7
8
9
10
11
11
12
13
14
15
16
17
18
19
20
21
22
23
24
25
FIT
1:1
100%

Артикул

Название

Примечание

Количество

1

07297-02011

HOSE

2

07000-B2060

O-RING

3

07371-32076

FLANGE

4

07372-21240

BOLT

5

01643-51232

WASHER

6

07297-02013

HOSE

7

07000-B2060

O-RING

8

07371-32076

FLANGE

9

07372-21240

BOLT

10

01643-51232

WASHER

11

709-10-94100

VALVE ASS'Y

12

07000-B2060

O-RING

13

01011-81220

BOLT

14

01643-31232

WASHER

15

02781-0021D

UNION

16

07002-61423

O-RING

17

02896-61008

O-RING

18

02782-10210

ELBOW

19

07002-61423

O-RING

20

02896-61008

O-RING

21

20U-62-41820

TEE

22

07002-61423

O-RING

23

02896-61008

O-RING

24

02896-61009

O-RING

25

02760-00203

HOSE

Выбрано товаров: 25