Запчасти Komatsu PC2000-8 КАБИНА (Э/ПРОВОДКА) (КОНДИЦ. ВОЗДУХА И КОНТРОЛЛЕР) (ДЛЯ ПОГРУЗ.)(№-) КАБИНА ОПЕРАТОРА И СИСТЕМА УПРАВЛЕНИЯ

Схема запчастей Komatsu PC2000-8 - КАБИНА (Э/ПРОВОДКА) (КОНДИЦ. ВОЗДУХА И КОНТРОЛЛЕР) (ДЛЯ ПОГРУЗ.)(№-) КАБИНА ОПЕРАТОРА И СИСТЕМА УПРАВЛЕНИЯ
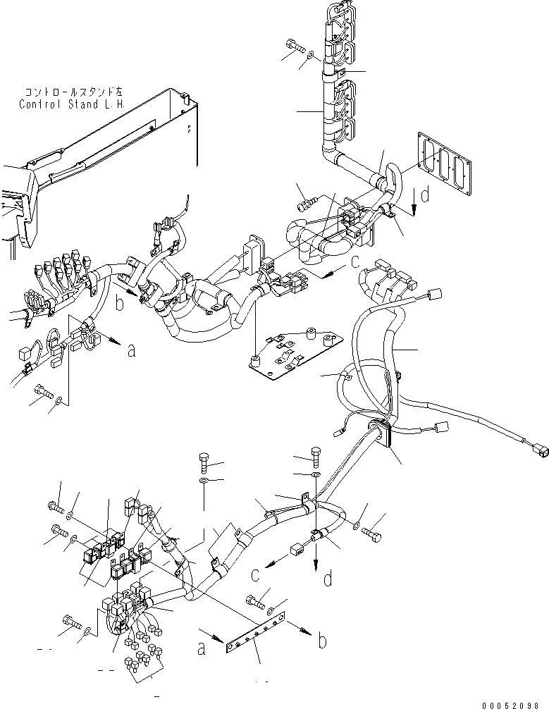
1
2
3
4
5
6
7
7
7
8
8
8
9
9
9
10
11
11
12
12
13
13
13
14
15
16
16
17
18
19
20
21
22
23
24
24
25
25
26
26
27
27
FIT
1:1
100%

Артикул

Название

Примечание

Количество

|$8

21T-54-00322

CAB ASS'Y,(WITH FRONT GUARD)(FOR LOADER)

|$9

21T-54-00321

CAB ASS'Y,(WITH FRONT GUARD)(FOR LOADER)

|$10

21T-54-00320

CAB ASS'Y,(WITH FRONT GUARD)(FOR LOADER)

|$11

21T-54-00332

CAB ASS'Y,(FOR LOADER)

|$12

21T-54-00331

CAB ASS'Y,(FOR LOADER)

|$13

21T-54-00330

CAB ASS'Y,(FOR LOADER)

|$14

21T-54-00421

CAB ASS'Y,(F/GUARD)(EXTINGSH.LESS)(L/S)

|$15

21T-54-00420

CAB ASS'Y

|$16

21T-54-00431

CAB ASS'Y,(EXTINGUISHER LESS)(LOADER)

|$17

21T-54-00430

CAB ASS'Y

1

21T-06-32152

WIRING HARNESS

2

21J-06-13661

DIODE

3

21T-54-35940

GROMMET

4

04434-51712

CLIP

5

04434-51912

CLIP

6

04434-52312

CLIP

7

04434-52712

CLIP

8

01010-81220

BOLT

9

01643-31232

WASHER

10

21T-06-32631

BRACKET

11

01010-81220

BOLT

12

01643-31232

WASHER

13

20Y-979-6771

RELAY

14

01245-00616

SCREW

15

01643-70623

WASHER

16

198-911-9240

RELAY, 4-TERMINAL

17

01245-00616

SCREW

18

01643-70623

WASHER

19

04434-52312

CLIP

20

21T-06-34161

WIRING HARNESS

20

21T-06-34160

WIRING HARNESS

21

01023-60414

SCREW

22

04434-51912

CLIP

23

04434-53412

CLIP

24

581-04-22290

CLIP

25

01010-81220

BOLT

26

01643-31232

WASHER

27

08034-20519

BAND

Выбрано товаров: 38