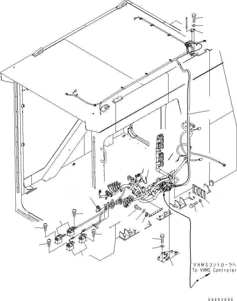
Запчасти Komatsu PC2000-8 КАБИНА (Э/ПРОВОДКА) (АНТЕННА КАБЕЛЬ И BUZZER)(№-) КАБИНА ОПЕРАТОРА И СИСТЕМА УПРАВЛЕНИЯ

Схема запчастей Komatsu PC2000-8 - КАБИНА (Э/ПРОВОДКА) (АНТЕННА КАБЕЛЬ И BUZZER)(№-) КАБИНА ОПЕРАТОРА И СИСТЕМА УПРАВЛЕНИЯ
1
1
2
2
2
2
3
4
5
6
7
8
9
10
11
12
13
14
15
16
17
FIT
1:1
100%

Артикул

Название

Примечание

Количество

|$15

21T-54-00301

CAB ASS'Y

|$16

21T-54-00300

CAB ASS'Y

|$17

21T-54-00310

CAB ASS'Y,(WITH FRONT GUARD)

|$18

21T-54-00320

CAB ASS'Y,(WITH FRONT GUARD)(FOR LOADER)

1

21T-06-33880

RELAY ASS'Y

2

01023-10410

SCREW

3

569-06-61960

RELAY

4

01245-00616

SCREW

5

01643-70623

WASHER

6

21T-54-36351

PLATE

7

01010-80620

BOLT

8

01643-30623

WASHER

9

21T-54-36341

PLATE

10

01010-81225

BOLT

11

01643-31232

WASHER

12

22U-06-22350

WIRING HARNESS

13

21Y-06-11260

BUZZER ASS'Y

14

21T-06-32930

CABLE

15

21T-06-64491

BRACKET

16

01010-81225

BOLT

17

01643-31232

WASHER

Выбрано товаров: 21