Запчасти Komatsu PC2000-8 ЦИЛИНДР СТРЕЛЫAND ЦИЛИНДР СТРЕЛЫТРУБЫ (ПРАВ.) (ДЛЯ ПОГРУЗ.) (СПЕЦ-Я -40С)(№-) РАБОЧЕЕ ОБОРУДОВАНИЕ

Схема запчастей Komatsu PC2000-8 - ЦИЛИНДР СТРЕЛЫAND ЦИЛИНДР СТРЕЛЫТРУБЫ (ПРАВ.) (ДЛЯ ПОГРУЗ.) (СПЕЦ-Я -40С)(№-) РАБОЧЕЕ ОБОРУДОВАНИЕ
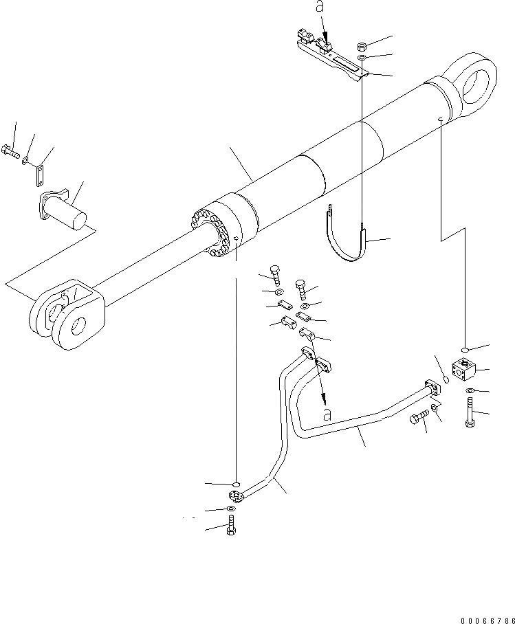
1
2
3
4
5
6
7
7
8
9
10
10
11
12
13
14
14
15
15
16
17
18
18
19
20
21
22
23
24
FIT
1:1
100%

Артикул

Название

Примечание

Количество

1

DM92227040

CYLINDER

2

DM94545140

BRACKET

3

21T-960-1370

CLAMP

4

DM94545440

TUBE

5

DM94545240

TUBE

6

DM94542040

BLOCK

7

07000-53048

O-RING

8

07000-52060

O-RING

9

01011-81425

BOLT

10

01643-31445

WASHER

11

01010-81865

BOLT

12

01643-31845

WASHER

13

01010-81445

BOLT

14

DM30861299

BOLT

15

DM50931098

WASHER

16

DM33460199

NUT

17

DM34046999

WASHER

18

DM53400899

PLATE

19

DM51823498

CLAMP

20

DM51823398

CLAMP

21

DM92384540

PIN

22

21N-70-11210

PLATE

23

DM30788699

BOLT

24

01643-32460

WASHER

Выбрано товаров: 24