Запчасти Komatsu PC2000-8 ОСНОВН. КЛАПАН (ПОГРУЗ.) (/9) (ЛЕВ.)(№-) ОСНОВН. КОМПОНЕНТЫ И РЕМКОМПЛЕКТЫ

Схема запчастей Komatsu PC2000-8 - ОСНОВН. КЛАПАН (ПОГРУЗ.) (/9) (ЛЕВ.)(№-) ОСНОВН. КОМПОНЕНТЫ И РЕМКОМПЛЕКТЫ
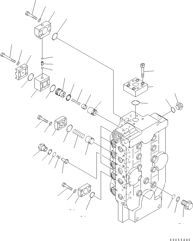
1
2
3
4
5
5
6
6
7
8
9
10
11
11
11
12
13
14
15
15
16
17
18
19
20
21
22
23
24
25
26
27
28
29
30
31
32
33
34
35
36
FIT
1:1
100%

Артикул

Название

Примечание

Количество

|$1

709-1A-11300

CONTROL VALVE

|$3

709-15-95100

VALVE SUB ASS'Y

1

709-14-12970

PLATE

2

07000-B3048

O-RING

3

709-12-11411

VALVE

4

709-12-11430

SPRING

5

01010-81250

BOLT

6

01643-51232

WASHER

7

709-14-12880

PLATE

8

709-14-12860

BLOCK

9

709-14-12870

PISTON

10

709-14-13860

SEAL

11

07000-B3048

O-RING

12

01010-81295

BOLT

13

01643-51232

WASHER

14

709-14-12890

COLLAR

15

07000-B2010

O-RING

16

709-14-12910

PLATE

17

01010-81465

BOLT

18

722-13-11530

WASHER

19

709-14-12840

POPPET

20

709-14-11771

POPPET

21

709-14-11790

SPRING

22

709-14-12940

PLATE

23

01252-61450

BOLT

24

07000-B3048

O-RING

25

709-14-12960

PLATE

26

07000-B3038

O-RING

27

709-14-11510

PLUG

28

700-80-61370

O-RING

29

700-80-61430

RING

30

700-22-11370

PLUG

31

07002-62434

O-RING

32

VALVE

33

709-74-92821

PLUG

34

700-93-11330

RING

35

708-2L-23960

O-RING

36

709-94-91751

SPRING

Выбрано товаров: 38