Запчасти Komatsu PC2000-8 ПРЯМАЯ ЛОПАТА, СТРЕЛА И РУКОЯТЬ, ЦИЛИНДР КОВША, ЛЕВ. (/) (№9-) ПРЯМАЯ ЛОПАТА, СТРЕЛА И РУКОЯТЬ

Схема запчастей Komatsu PC2000-8 - ПРЯМАЯ ЛОПАТА, СТРЕЛА И РУКОЯТЬ, ЦИЛИНДР КОВША, ЛЕВ. (/) (№9-) ПРЯМАЯ ЛОПАТА, СТРЕЛА И РУКОЯТЬ
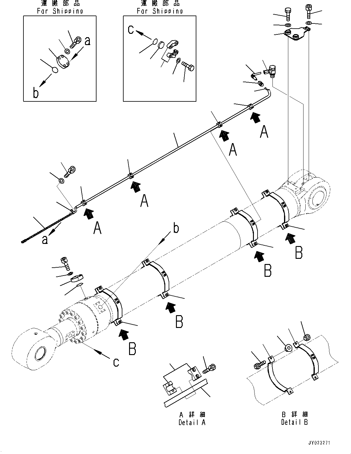
12
8
10
7
11
7
7
7
7
16
15
14
18
19
9
9
9
9
6
5
25
25
27
17
26
2
3
4
2
3
1
2
3
1
4
21
20
23
24
22
9
13
6
FIT
1:1
100%

Артикул

Название

Примечание

Количество

1

DM50658198

Flange

2

01252-61450

Bolt, Hexagon Socket Head

3

01643-31445

Washer, Flat

4

DM35620940

O-ring, (Kit : K13)

5

707-88-41580

Clip

6

707-86-01280

Tube

7

707-88-51610

Bracket

8

707-88-26730

Band

9

DM50498798

Clamp

10

01596-01211

Nut

11

01580-01210

Nut

12

01016-51260

Bolt

13

01252-90625

Bolt, Hexagon Socket Head

14

01010-61630

Bolt

15

01643-31645

Washer

16

707-88-41290

Cover

17

DM00691298

Union

18

01252-61225

Bolt, Hexagon Socket Head

19

01643-31232

Washer

20

07371-51470

Flange, Split

21

07378-11410

Head

22

01010-81455

Bolt

23

01643-31445

Washer, Flat

24

07000-53048

O-ring

25

707-86-01290

Hose Assembly

26

425-S95-2150

Hose Stud

27

425-S95-2140

Sleeve

Выбрано товаров: 27