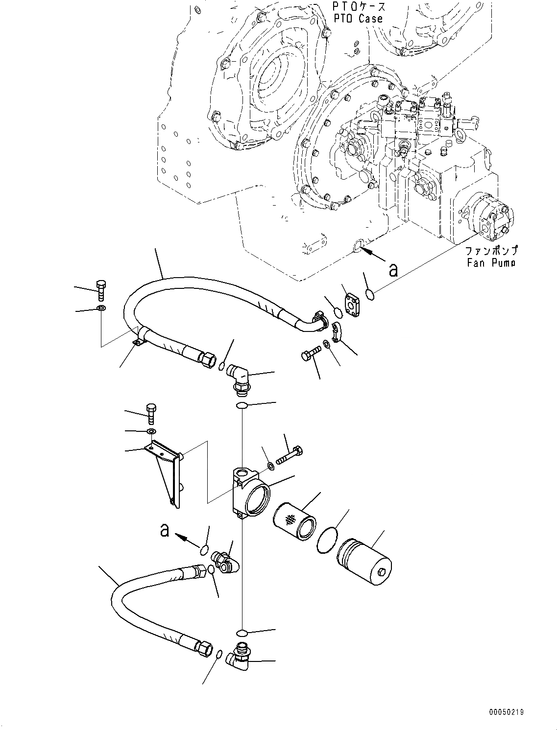
Запчасти Komatsu PC2000-8 POWER TAKEOFF, ВСАСЫВ. ТРУБЫ (№9-) POWER TAKEOFF, БЕЗ SERVICE ЦЕНТР., СМАЗ. ОТСЕКАЮЩ. КЛАПАН

Схема запчастей Komatsu PC2000-8 - POWER TAKEOFF, ВСАСЫВ. ТРУБЫ (№9-) POWER TAKEOFF, БЕЗ SERVICE ЦЕНТР., СМАЗ. ОТСЕКАЮЩ. КЛАПАН
1
2
3
4
5
6
7
8
9
10
11
12
13
14
15
16
17
18
19
20
21
22
23
24
15
14
13
5
21
FIT
1:1
100%

Артикул

Название

Примечание

Количество

1

21W-62-42640

Elbow

2

07002-23334

O-ring

3

21T-09-31160

O-ring

4

207-62-72510

Hose

5

21T-38-31350

Filter Assembly

6

21T-38-31360

Element

7

07000-F2090

O-ring

8

21T-38-31421

Bracket

9

01010-81035

Bolt

10

01643-31032

Washer

11

01011-81000

Bolt

12

01643-31032

Washer

13

21W-62-42640

Elbow

14

07002-23334

O-ring

15

21T-09-31160

O-ring

16

21T-38-31380

Hose

17

113-899-7950

Clip

18

01010-81225

Bolt

19

01643-31232

Washer

20

21T-38-31370

Flange

21

07000-E3032

O-ring

22

07371-31049

Flange, Split

23

07372-31050

Bolt

24

01643-51032

Washer

Выбрано товаров: 0