Запчасти Komatsu PC2000-8 КРЕПЛЕНИЕ ДВИГАТЕЛЯ, КОРПУС (№9-) КРЕПЛЕНИЕ ДВИГАТЕЛЯ, БЕЗ SERVICE ЦЕНТР., СМАЗ. ОТСЕКАЮЩ. КЛАПАН

Схема запчастей Komatsu PC2000-8 - КРЕПЛЕНИЕ ДВИГАТЕЛЯ, КОРПУС (№9-) КРЕПЛЕНИЕ ДВИГАТЕЛЯ, БЕЗ SERVICE ЦЕНТР., СМАЗ. ОТСЕКАЮЩ. КЛАПАН
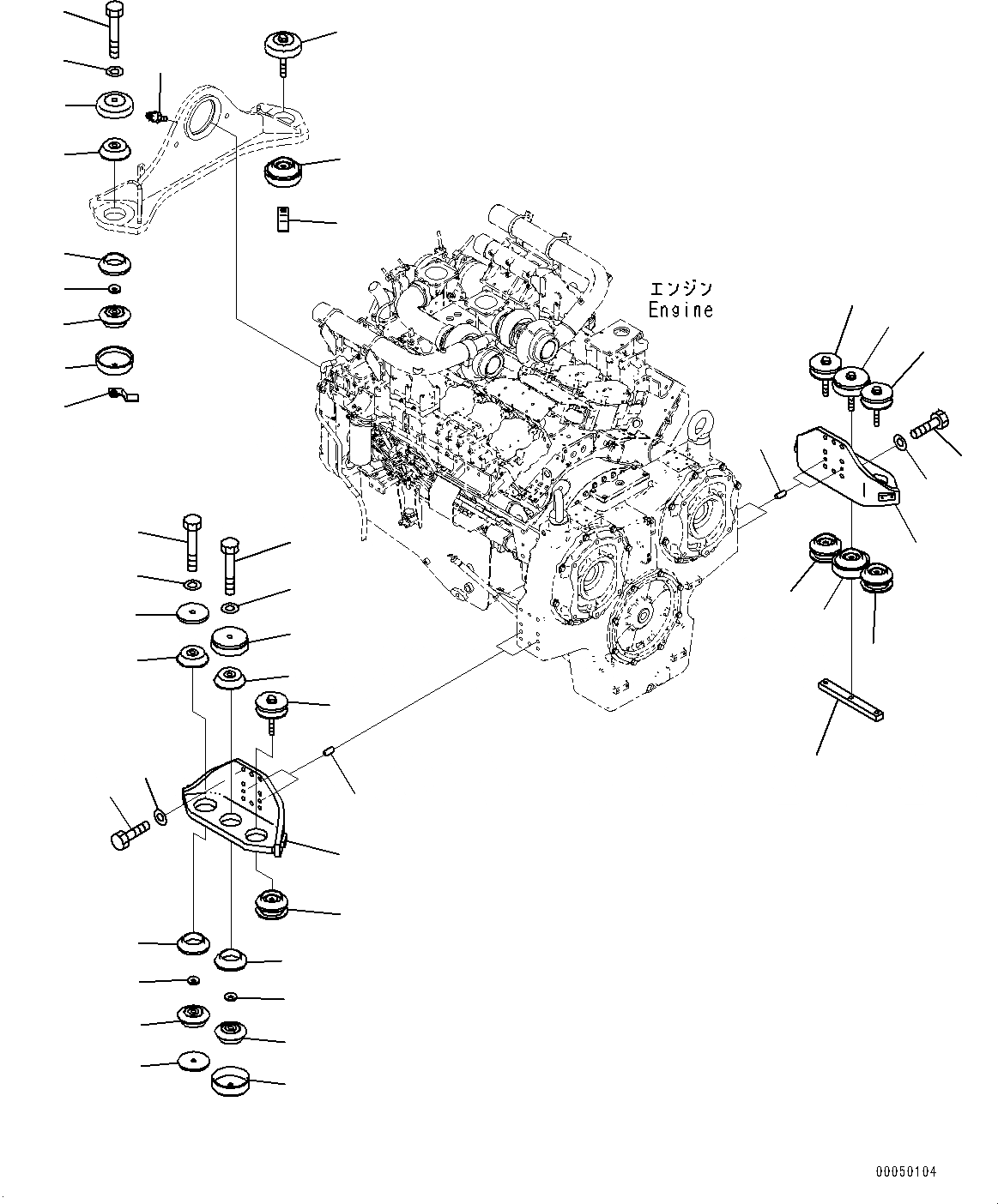
1
2
3
4
5
6
7
8
9
10
11
12
13
14
15
16
17
18
19
20
21
22
23
24
17
6
7
8
7
7
13
14
3
4
5
11
10
9
12
16
20
23
11
12
11
12
FIT
1:1
100%

Артикул

Название

Примечание

Количество

1

21T-01-31120

Bracket

2

21T-01-31130

Bracket

3

01010-82070

Bolt

4

15R-70-16370

Washer

5

04020-01842

Pin, Dowel

6

21T-01-11210

Collar

7

21N-01-11120

Cushion

8

21T-01-11220

Collar

9

21T-01-31160

Stopper

10

21T-01-31170

Stopper

11

21T-01-11180

Washer

12

21T-01-11190

Washer

13

208-01-11181

Bolt

14

01643-32460

Washer

15

21T-01-31140

Plate

16

21T-01-11210

Collar

17

21N-01-11120

Cushion

18

21T-01-11220

Collar

19

21N-01-37120

Stopper

20

21N-01-37130

Stopper

21

234-977-1750

Bolt

22

01643-32460

Washer

23

21T-01-67330

Bolt

24

07020-00000

Fitting, Grease

Выбрано товаров: 24