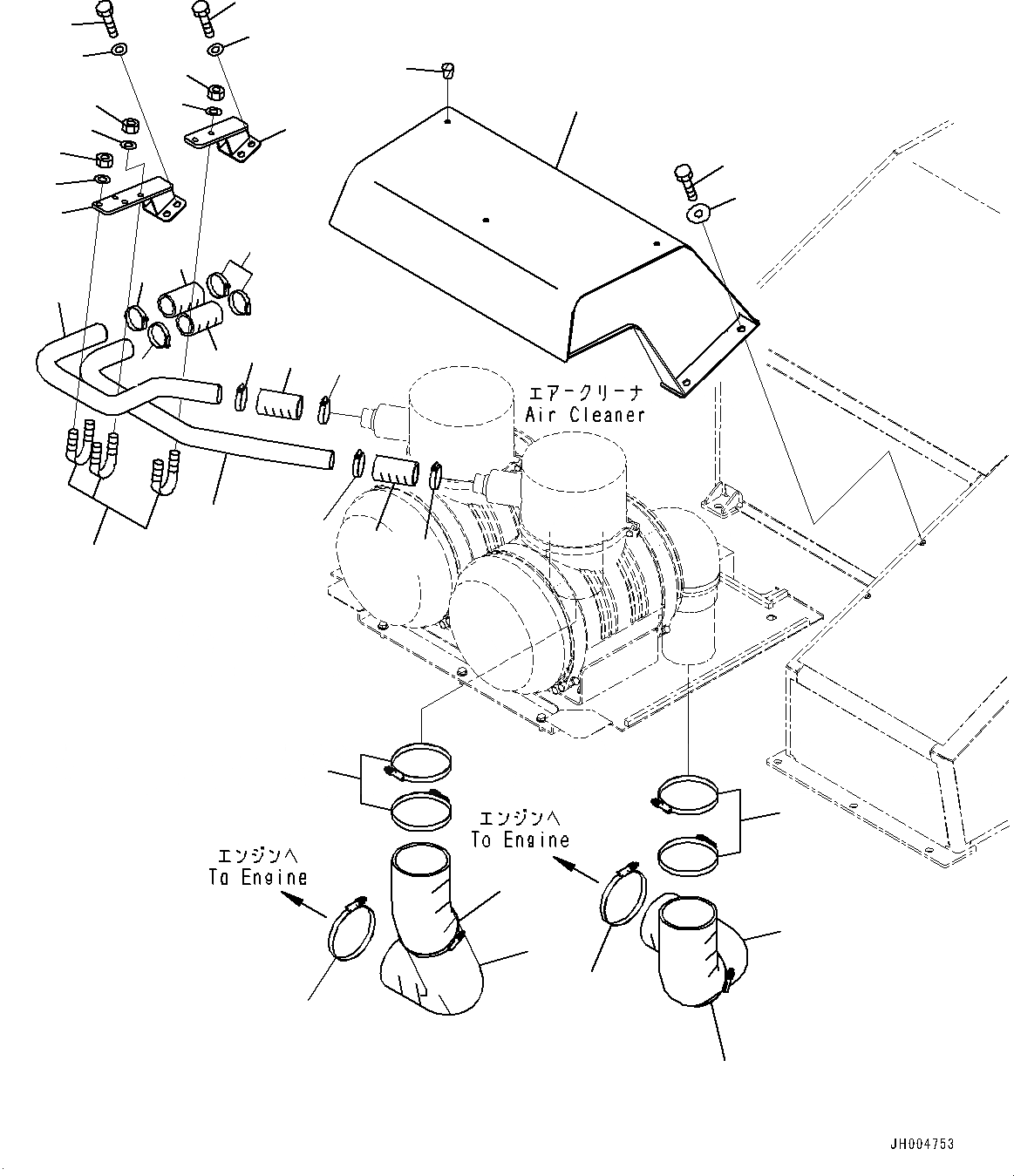
Запчасти Komatsu PC2000-8 ВПУСК ВОЗДУХА И ВЫПУСКН., ШЛАНГИ (№-) ВПУСК ВОЗДУХА И ВЫПУСКН., С ПРЕФИЛЬТР

Схема запчастей Komatsu PC2000-8 - ВПУСК ВОЗДУХА И ВЫПУСКН., ШЛАНГИ (№-) ВПУСК ВОЗДУХА И ВЫПУСКН., С ПРЕФИЛЬТР
19
18
17
16
19
19
17
16
6
2
6
5
4
19
18
17
16
15
14
13
12
11
10
9
8
7
6
5
4
3
2
1
20
21
22
23
4
2
FIT
1:1
100%

Артикул

Название

Примечание

Количество

1

21T-01-31220

Hose

2

07299-00160

Clamp, Hose

3

21T-01-31230

Hose

4

07299-00160

Clamp, Hose

5

6130-12-8620

Hose

6

07281-00709

Clamp

7

21T-01-31251

Tube

8

21T-01-31261

Tube

9

21T-01-31291

Bracket

10

01010-81230

Bolt

11

01643-31232

Washer

12

21T-01-31560

Bracket

13

01010-81230

Bolt

14

01643-31232

Washer

15

07283-35150

Clip

16

01597-01009

Nut

17

01643-31032

Washer

18

6130-12-8620

Hose

19

07281-00709

Clamp

20

21T-54-32841

Cover

21

01010-81235

Bolt

22

175-54-34170

Washer

23

07049-01215

Plug

Выбрано товаров: 23