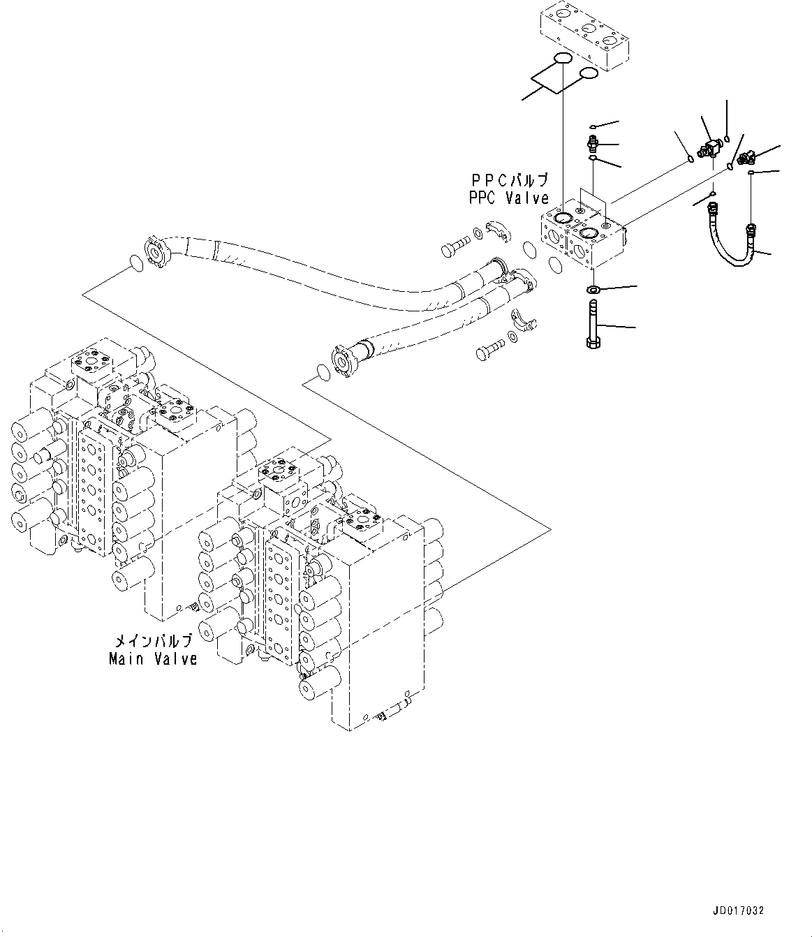
Запчасти Komatsu PC2000-8 ВОЗВРАТ. ТРУБЫ, КЛАПАН PPCКРЕПЛЕНИЕ (№9-) ВОЗВРАТ. ТРУБЫ

Схема запчастей Komatsu PC2000-8 - ВОЗВРАТ. ТРУБЫ, КЛАПАН PPCКРЕПЛЕНИЕ (№9-) ВОЗВРАТ. ТРУБЫ
1
7
8
9
10
11
12
13
14
6
4
5
2
3
FIT
1:1
100%

Артикул

Название

Примечание

Количество

1

07000-B2060

O-ring

2

01011-81220

Bolt

3

01643-31232

Washer

4

02781-0021D

Union

5

07002-61423

O-ring

6

02896-61008

O-ring

7

02782-10210

Elbow

8

07002-61423

O-ring

9

02896-61008

O-ring

10

20U-62-41820

Tee

11

07002-61423

O-ring

12

02896-61008

O-ring

13

02896-61009

O-ring

14

02760-00203

Hose, Face Seal Type

Выбрано товаров: 14