Запчасти Komatsu PC2000-8 КАБИНА, КОНДИЦ. ВОЗДУХА И КОНТРОЛЛЕР ПРОВОДКА (№9-) КАБИНА, ПРЯМАЯ ЛОПАТА, НИЖН. РАЗГРУЗКА ТИП, С AMBER COLOR WARNING МИГАЛКА, КАБИНА ПЕРЕДН. ПОЛН. ЗАЩИТА, AM-FM РАДИО ДЛЯ СЕВ. АМЕРИКИ, FIR

Схема запчастей Komatsu PC2000-8 - КАБИНА, КОНДИЦ. ВОЗДУХА И КОНТРОЛЛЕР ПРОВОДКА (№9-) КАБИНА, ПРЯМАЯ ЛОПАТА, НИЖН. РАЗГРУЗКА ТИП, С AMBER COLOR WARNING МИГАЛКА, КАБИНА ПЕРЕДН. ПОЛН. ЗАЩИТА, AM-FM РАДИО ДЛЯ СЕВ. АМЕРИКИ, FIR
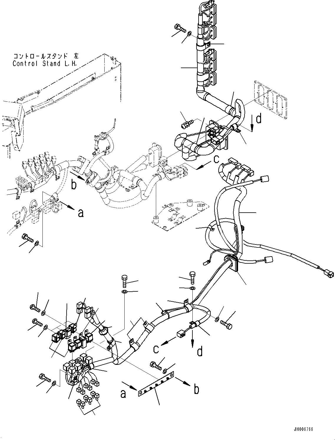
26
25
23
26
25
24
21
20
24
5
12
11
7
10
2
6
9
8
25
26
22
13
13
13
16
16
17
18
14
15
7
27
1
9
8
3
8
7
4
9
19
27
FIT
1:1
100%

Артикул

Название

Примечание

Количество

|$0

21T-54-00323

Cab Assembly

|$1

21T-54-00322

Cab Assembly

1

21T-06-32152

Wiring Harness

2

21J-06-13661

Diode

3

21T-54-35940

Grommet

4

04434-51712

Clip

5

04434-51912

Clip

6

04434-52312

Clip

7

04434-52712

Clip

8

01010-81220

Bolt

9

01643-31232

Washer

10

21T-06-32631

Bracket

11

01010-81220

Bolt

12

01643-31232

Washer

13

20Y-979-6771

Relay

14

01245-00616

Screw

15

01643-70623

Washer

16

198-911-9240

Relay Assembly, 4-Terminal

17

01245-00616

Screw

18

01643-70623

Washer

19

04434-52312

Clip

20

21T-06-34161

Wiring Harness

21

01023-60414

Screw

22

04434-51912

Clip

23

04434-53412

Clip

24

581-04-22290

Clip

25

01010-81220

Bolt

26

01643-31232

Washer

27

08034-20519

Band

Выбрано товаров: 29