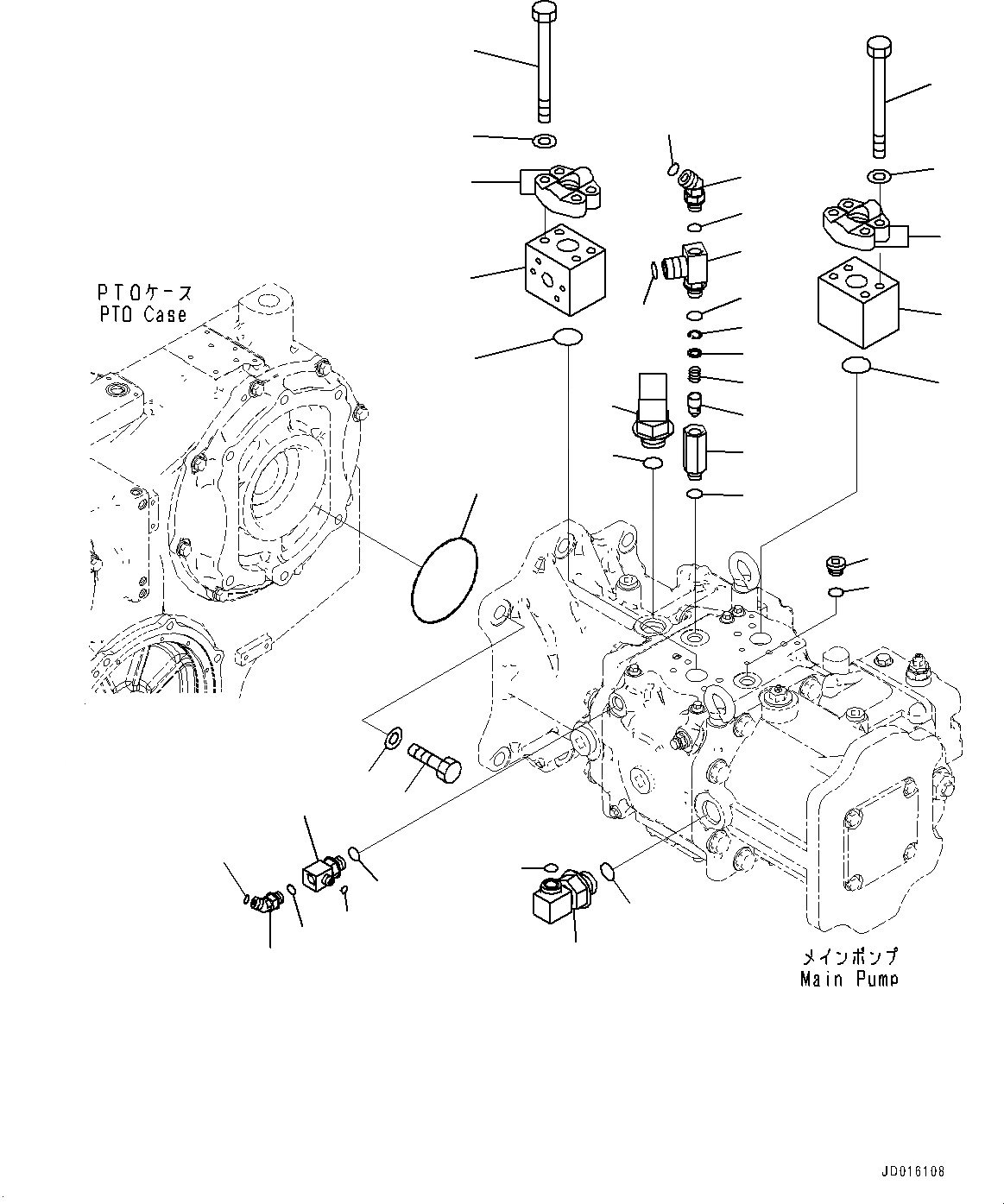
Запчасти Komatsu PC2000-8 NO. НАСОС, НАСОС КРЕПЛЕНИЕ (№9-) NO. НАСОС

Схема запчастей Komatsu PC2000-8 - NO. НАСОС, НАСОС КРЕПЛЕНИЕ (№9-) NO. НАСОС
25
26
13
17
16
15
14
12
11
7
6
10
9
33
34
35
29
27
28
31
30
32
2
5
4
1
38
37
36
20
19
21
23
22
24
18
3
8
FIT
1:1
100%

Артикул

Название

Примечание

Количество

1

21T-64-31210

Block

2

07000-B3050

O-ring

3

07371-51470

Flange, Split

4

209-62-41270

Bolt

5

01643-31445

Washer, Flat

6

21T-64-31221

Block

7

07000-B3050

O-ring

8

07371-51470

Flange, Split

9

209-62-41270

Bolt

10

01643-31445

Washer, Flat

11

21T-64-33451

Elbow

12

07002-64234

O-ring

12

203-62-56500

Valve Assembly

13

Block

14

203-60-21250

Poppet

15

203-60-21260

Spring

16

203-60-21270

Seat

17

04065-02212

Ring, Snap

18

07002-62434

O-ring

19

20U-62-41630

Elbow

20

07002-62434

O-ring

21

11Y-62-11980

O-ring

22

02783-10628

Elbow

23

07002-62434

O-ring

24

02896-61018

O-ring

25

07040-12414

Plug

26

07002-62434

O-ring

27

21N-64-36660

Elbow

28

07002-62434

O-ring

29

02896-61009

O-ring

30

02783-10422

Elbow

31

07002-62034

O-ring

32

02896-61012

O-ring

33

209-62-41481

Elbow

34

07002-64234

O-ring

35

11Y-62-11980

O-ring

36

01010-82475

Bolt

37

01643-32460

Washer

38

07000-E5185

O-ring

Выбрано товаров: 39