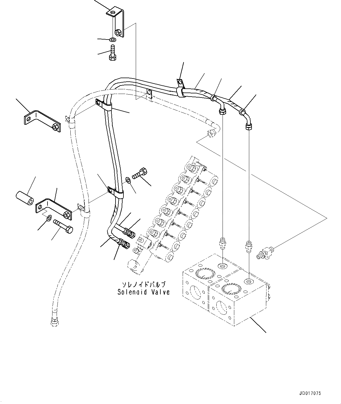
Запчасти Komatsu PC2000-8 СОЛЕНОИДНЫЙ КЛАПАН ТРУБЫ, КЛАПАН ТРУБЫ (/) (№9-) СОЛЕНОИДНЫЙ КЛАПАН ТРУБЫ

Схема запчастей Komatsu PC2000-8 - СОЛЕНОИДНЫЙ КЛАПАН ТРУБЫ, КЛАПАН ТРУБЫ (/) (№9-) СОЛЕНОИДНЫЙ КЛАПАН ТРУБЫ
8
8
3
1
4
2
5
5
5
4
2
3
1
8
11
9
10
6
7
12
13
14
FIT
1:1
100%

Артикул

Название

Примечание

Количество

1

02761-00216

Hose, Face Seal Type

2

02761-00217

Hose, Face Seal Type

3

20Y-62-22820

Band, Blue

4

20Y-62-22850

Band, Green

5

04435-51412

Clip

6

01010-81225

Bolt

7

01643-31232

Washer

8

207-62-62770

Bracket

9

01010-81225

Bolt

10

01643-31232

Washer

11

203-62-44510

Spacer

12

01010-81280

Bolt

13

01643-31232

Washer

14

709-10-91830

Block

Выбрано товаров: 14