Качественные детали и логистика
Оригинальные и аналоговые запчасти с доставкой по России, Казахстану и Беларуси
©2022 PartSell ООО "Система" ИНН 2463123282 ОГРН 1212400004838
Центральный офис: г. Красноярск, Академика Киренского, д.87, пом.4
Телефон: 8 (800) 777-65-74 Email: zakaz@partsell.ru
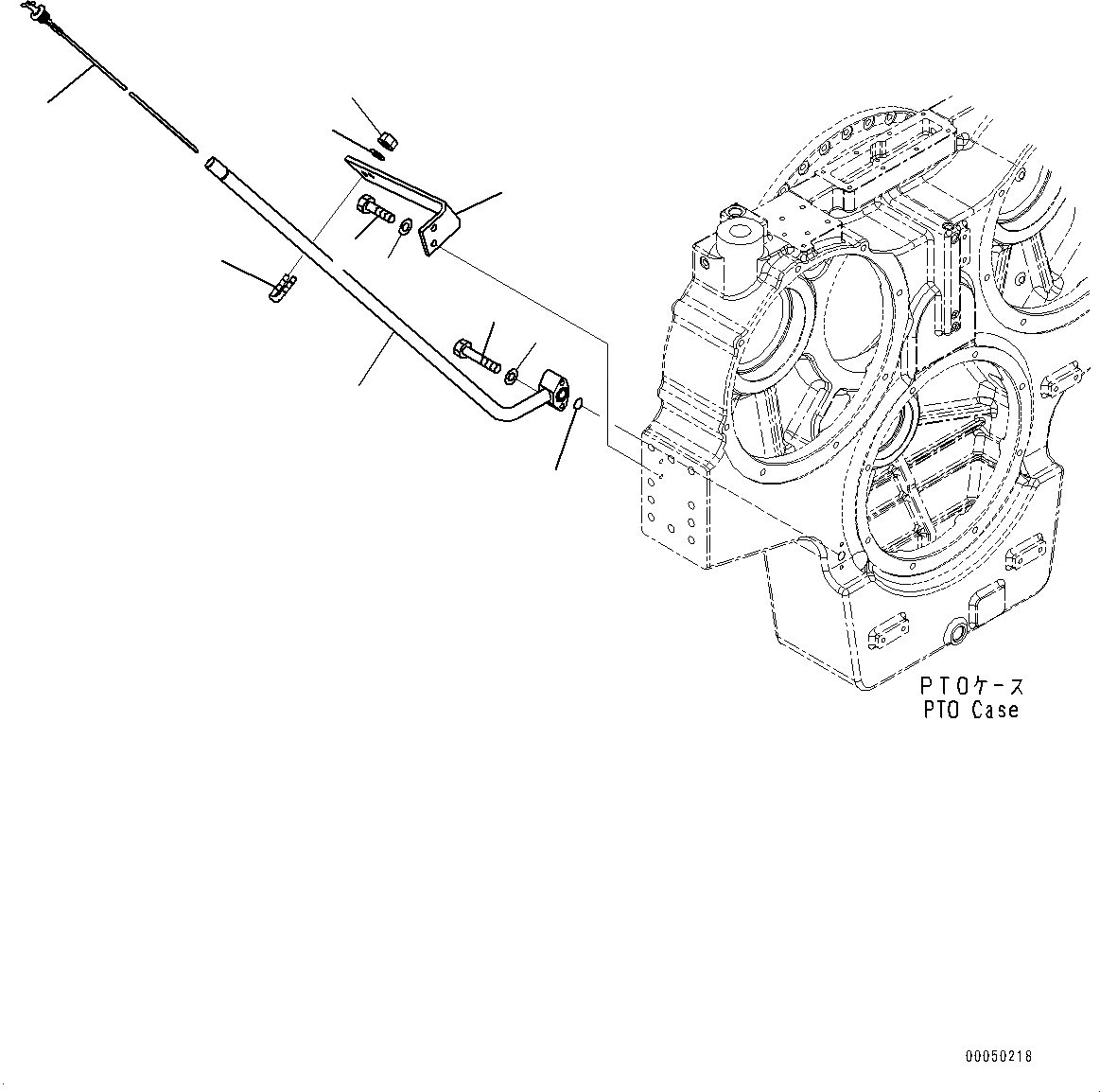
POWER TAKEOFF, МАСЛЯНЫЙ ЩУП (№9-)
№
Артикул
Название
Примечание
Количество
1
21T-38-31321
Tube
2
07000-E3028
O-ring
3
01010-81065
Bolt
4
01643-31032
Washer
5
21T-38-31450
Gauge
6
21T-38-31341
Bracket
7
01010-81235
8
01643-31232
9
07283-22738
Clip
10
01597-01009
Nut
11
Выбрано товаров: 0