Запчасти Komatsu PC2000-8 КОНДИЦ. ВОЗДУХА, ШЛАНГИ ОБОГРЕВАТЕЛЯ, ВНУТР. OF POWER КОНТЕЙНЕР (№89-) КОНДИЦ. ВОЗДУХА, КОНДИЦ. ВОЗДУХА

Схема запчастей Komatsu PC2000-8 - КОНДИЦ. ВОЗДУХА, ШЛАНГИ ОБОГРЕВАТЕЛЯ, ВНУТР. OF POWER КОНТЕЙНЕР (№89-) КОНДИЦ. ВОЗДУХА, КОНДИЦ. ВОЗДУХА
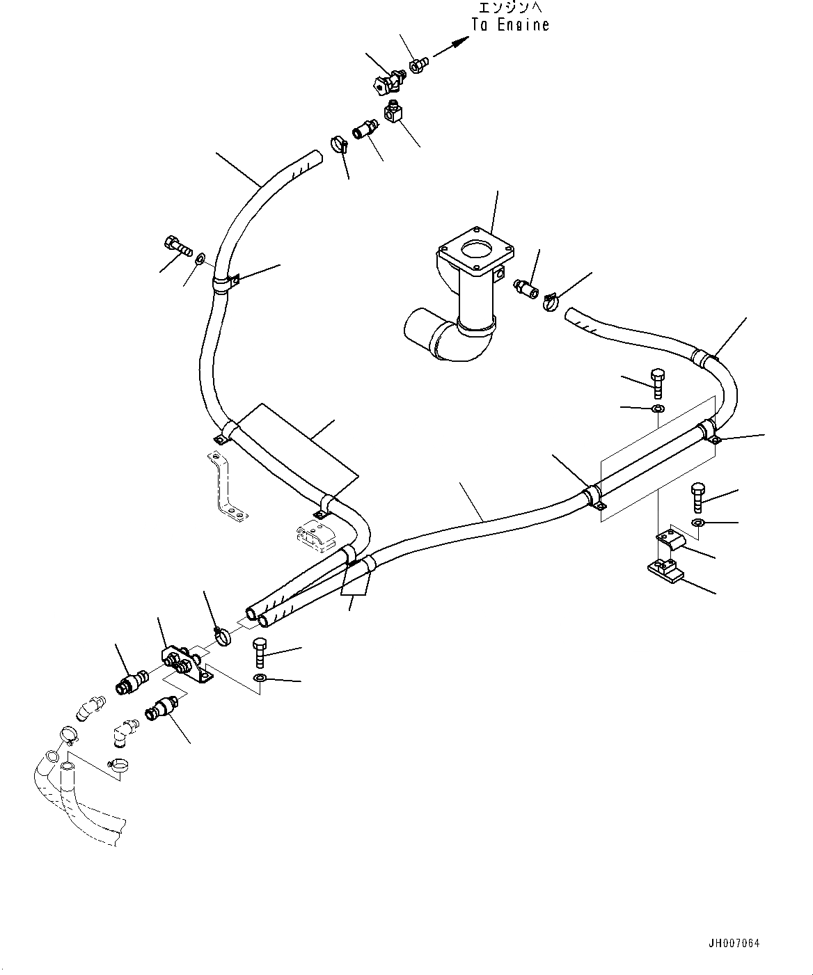
1
2
3
4
5
6
7
8
14
15
19
6
6
9
7
7
7
7
7
16
17
12
13
10
11
8
9
18
14
20
FIT
1:1
100%

Артикул

Название

Примечание

Количество

1

195-911-5591

Valve

2

565-44-15380

Elbow

3

113-899-7970

Joint

4

21T-979-3710

Hose

5

21T-979-3720

Hose

6

07281-00419

Clamp

7

04434-53412

Clip

8

01010-81225

Bolt

9

01643-31232

Washer

10

203-973-5660

Clamp

11

21T-979-3430

Bracket

12

01010-81025

Bolt

13

01643-31032

Washer

14

195-Z11-6990

Coupling

15

21T-979-3420

Bracket

16

01010-81230

Bolt

17

01643-31232

Washer

18

196-911-4120

Nipple

19

113-899-7970

Joint

20

21T-03-31473

Tube

|$20

21T-03-31473

Tube

|$21

21T-03-31472

Tube

|$22

21T-03-31472

Tube

Выбрано товаров: 23