Качественные детали и логистика
Оригинальные и аналоговые запчасти с доставкой по России, Казахстану и Беларуси
©2022 PartSell ООО "Система" ИНН 2463123282 ОГРН 1212400004838
Центральный офис: г. Красноярск, Академика Киренского, д.87, пом.4
Телефон: 8 (800) 777-65-74 Email: zakaz@partsell.ru
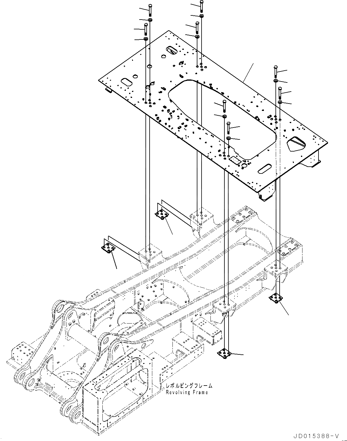
КОНТЕЙНЕР ОСНОВ. РАМА (№9-)
№
Артикул
Название
Примечание
Количество
1
21T-54-31112
Frame
2
21T-54-31121
Plate
3
21T-54-31130
Bolt
4
01643-34212
Washer, Flat
5
6
Выбрано товаров: 0