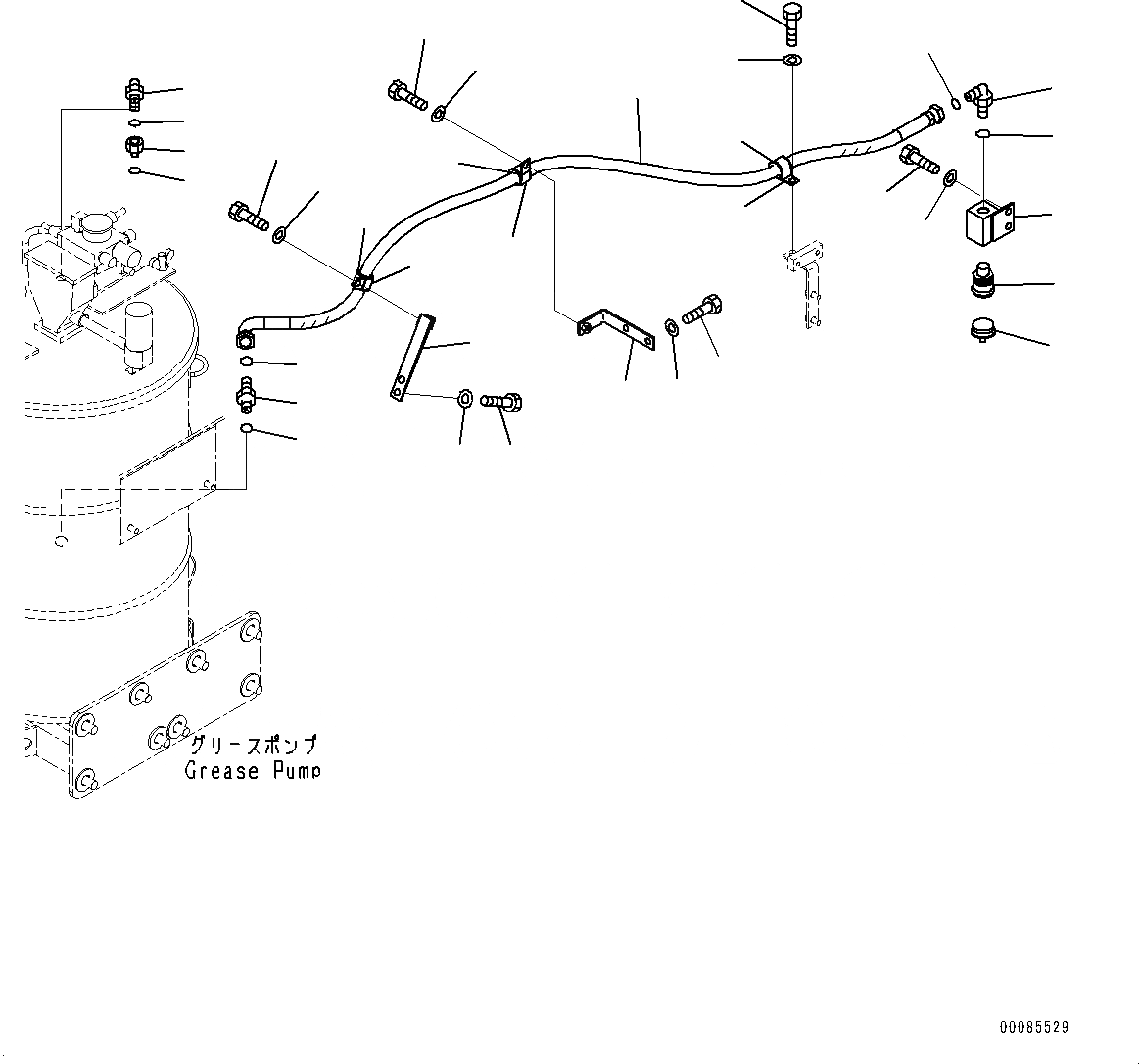
Запчасти Komatsu PC2000-8 НАСОС СМАЗКИ, ТРУБЫ КРЕПЛЕНИЕ (№9-) НАСОС СМАЗКИ, АВТОМАТИЧ.-СИСТ. СМАЗКИ СИСТЕМА, БЫСТРОСЪЕМН. МЕХ-М, СМАЗ. REFILL

Схема запчастей Komatsu PC2000-8 - НАСОС СМАЗКИ, ТРУБЫ КРЕПЛЕНИЕ (№9-) НАСОС СМАЗКИ, АВТОМАТИЧ.-СИСТ. СМАЗКИ СИСТЕМА, БЫСТРОСЪЕМН. МЕХ-М, СМАЗ. REFILL
32
29
28
27
26
25
24
23
22
21
20
19
18
17
16
15
12
11
9
10
8
7
6
4
5
2
3
1
12
14
13
30
31
33
FIT
1:1
100%

Артикул

Название

Примечание

Количество

1

21T-68-32460

Bracket

2

01010-81225

Bolt

3

01643-31232

Washer

4

04434-53412

Clip

5

07095-20625

Cushion

6

01010-81225

Bolt

7

01643-31232

Washer

8

21T-68-32480

Bracket

9

01010-81225

Bolt

10

01643-31232

Washer

11

02763-00620

Hose, Face Seal Type

12

02896-61018

O-ring

13

04434-53412

Clip

14

07095-20625

Cushion

15

01010-81225

Bolt

16

01643-31232

Washer

17

02782-10630

Elbow

18

07002-62434

O-ring

19

21T-68-32430

Bracket

20

01010-81225

Bolt

21

01643-31232

Washer

22

04434-53412

Clip

23

07095-20625

Cushion

24

01010-81225

Bolt

25

01643-31232

Washer

26

21T-68-32410

Receiver

27

21T-68-32420

Cap

28

02782-10420

Elbow

29

02789-10422

Plug

30

07002-61823

O-ring

31

02896-61012

O-ring

32

02781-00628

Union

33

07002-62434

O-ring

Выбрано товаров: 0