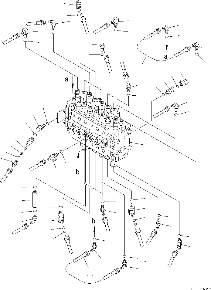
Запчасти Komatsu PC200CA-6 ОСНОВН. КЛАПАН (СОЕДИНИТЕЛЬН. ЧАСТИ) (СЦЕПНОЕ УСТРОЙСТВО СДВИГ. ВВЕРХ СПЕЦ-Я.)(№C-C) ГИДРАВЛИКА

Схема запчастей Komatsu PC200CA-6 - ОСНОВН. КЛАПАН (СОЕДИНИТЕЛЬН. ЧАСТИ) (СЦЕПНОЕ УСТРОЙСТВО СДВИГ. ВВЕРХ СПЕЦ-Я.)(№C-C) ГИДРАВЛИКА
1
2
2
3
3
4
4
5
5
5
5
5
5
6
7
7
7
7
7
7
7
7
7
8
9
10
11
12
13
14
15
16
17
18
19
20
21
22
22
23
23
24
25
26
27
28
29
30
30
31
31
31
31
32
32
32
32
FIT
1:1
100%

Артикул

Название

Примечание

Количество

1

723-46-13402

CONTROL VALVE

2

20Y-62-22271

ELBOW

3

201-60-11390

O-RING

4

20Y-62-19560

O-RING

5

07235-10210

ELBOW

6

208-26-11611

TEE

7

07002-11423

O-RING

8

208-62-17550

TEE

9

07002-11423

O-RING

10

20Y-62-27680

ADAPTER

11

07002-11423

O-RING

12

07235-10210

ELBOW

13

07002-11423

O-RING

14

20Y-62-23541

ELBOW

15

07002-11423

O-RING

16

20Y-60-22261

VALVE ASS'Y

16

BODY

17

20Y-60-22270

POPPET

18

701-20-61230

SPRING

19

07230-20210

UNION

20

07002-11423

O-RING

21

07002-11423

O-RING

22

205-62-74190

ELBOW

23

07002-11223

O-RING

24

208-62-17550

TEE

25

07002-11423

O-RING

26

20Y-62-22160

ADAPTER

27

07002-11423

O-RING

28

07235-10210

ELBOW

29

07002-11423

O-RING

30

07096-00204

HOSE

31

07235-10210

ELBOW

32

07002-11423

O-RING

Выбрано товаров: 33