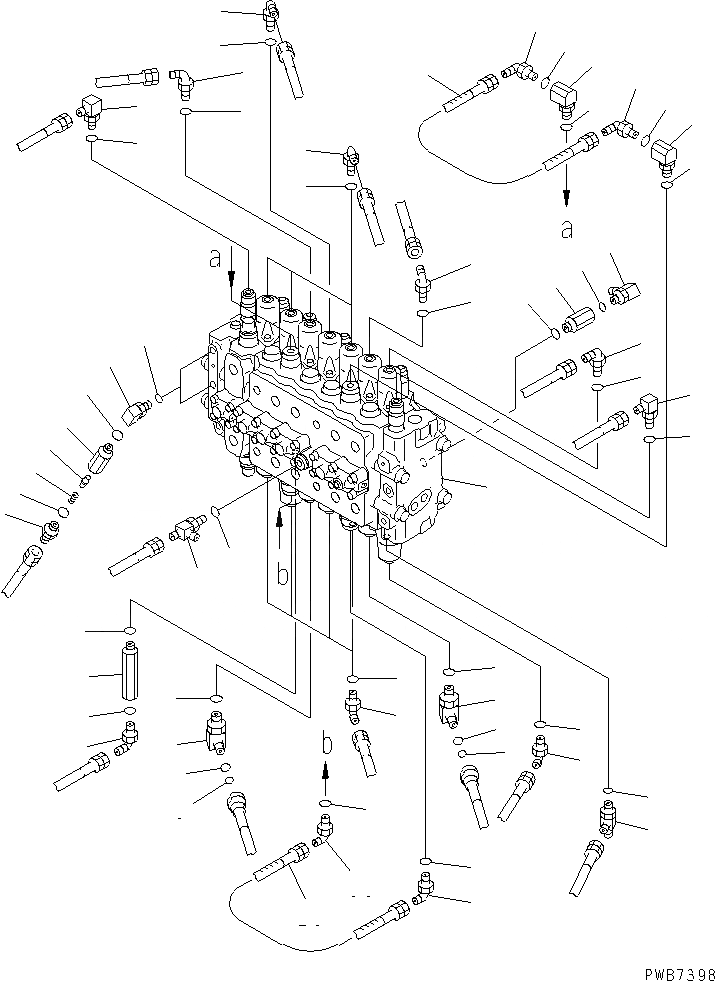
Запчасти Komatsu PC200CA-6 ОСНОВН. КЛАПАН (СОЕДИНИТЕЛЬН. ЧАСТИ) (СЦЕПНОЕ УСТРОЙСТВО СДВИГ. ВВЕРХ СПЕЦ-Я.)( АКТУАТОР)(№C-) ГИДРАВЛИКА

Схема запчастей Komatsu PC200CA-6 - ОСНОВН. КЛАПАН (СОЕДИНИТЕЛЬН. ЧАСТИ) (СЦЕПНОЕ УСТРОЙСТВО СДВИГ. ВВЕРХ СПЕЦ-Я.)      ( АКТУАТОР)(№C-) ГИДРАВЛИКА
1
2
2
3
3
4
4
5
5
5
5
5
5
5
6
6
6
6
6
6
6
6
6
7
8
9
10
11
12
13
14
15
16
17
18
19
20
21
21
22
22
23
24
25
26
27
28
29
29
30
30
30
30
31
31
32
32
32
32
32
32
FIT
1:1
100%

Артикул

Название

Примечание

Количество

1

723-47-13403

CONTROL VALVE

2

20Y-62-22271

ELBOW

3

201-60-11390

O-RING

4

20Y-62-19560

O-RING

5

07235-10210

ELBOW

6

07002-11423

O-RING

7

208-62-17550

TEE

8

07002-11423

O-RING

9

20Y-62-27680

ADAPTER

10

07002-11423

O-RING

11

07235-10210

ELBOW

12

07002-11423

O-RING

13

20Y-62-23541

ELBOW

14

07002-11423

O-RING

15

20Y-60-22261

VALVE ASS'Y

15

BODY

16

20Y-60-22270

POPPET

17

701-20-61230

SPRING

18

07230-20210

UNION

19

07002-11423

O-RING

20

07002-11423

O-RING

21

205-62-74190

ELBOW

22

07002-11223

O-RING

23

208-62-17550

TEE

24

07002-11423

O-RING

25

20Y-62-22160

ADAPTER

26

07002-11423

O-RING

27

07235-10210

ELBOW

28

07002-11423

O-RING

29

07096-00204

HOSE

30

07235-10210

ELBOW

31

20F-61-12460

ELBOW

32

07002-11423

O-RING

Выбрано товаров: 33