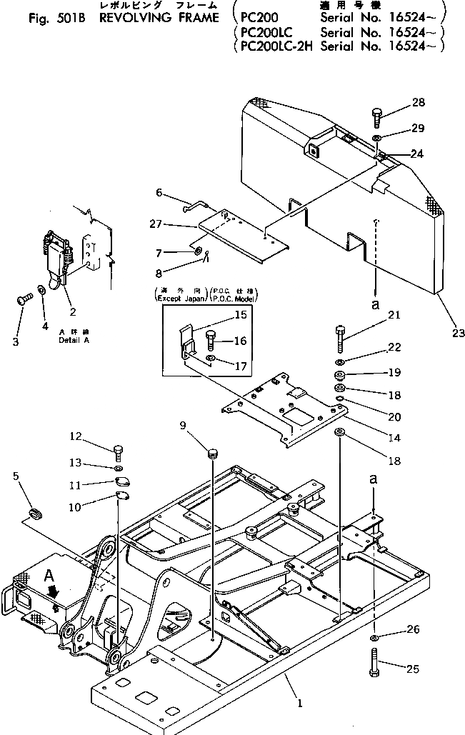
Запчасти Komatsu PC200LC-2 ОСНОВНАЯ РАМА(№-) ОСНОВНАЯ РАМА И КАБИНА

Схема запчастей Komatsu PC200LC-2 - ОСНОВНАЯ РАМА(№-) ОСНОВНАЯ РАМА И КАБИНА
FIT
1:1
100%

Артикул

Название

Примечание

Количество

1

205-46-63112

FRAME

2

195-57-11530

CATCHER

3

01220-40512

SCREW

4

01641-20513

WASHER

5

170-43-11370

GROMMET

6

205-46-63350

BAR

7

01641-20608

WASHER

8

04050-11610

PIN

9

09415-03614

CAP

10

203-46-31181

GASKET

11

203-46-31131

COVER

12

01010-51230

BOLT

13

01643-31232

WASHER

14

205-46-63162

PLATE

15

205-46-63441

BRACKET,(P.O.C. MODEL) (EXCEPT JAPAN)

16

01010-51230

BOLT,(P.O.C. MODEL) (EXCEPT JAPAN)

17

01643-31232

WASHER,(P.O.C. MODEL) (EXCEPT JAPAN)

18

205-46-51240

CUSHION

19

205-46-51250

COLLAR

20

07000-03028

O-RING

21

01010-51665

BOLT

22

01643-31645

WASHER

23

205-46-63172

WEIGHT

24

205-46-63330

HINGE (WELDED)

25

234-977-1750

BOLT

26

01643-32460

WASHER

27

205-46-63181

COVER

28

01010-51225

BOLT

29

01643-31232

WASHER

Выбрано товаров: 29