Запчасти Komatsu PC200LC-3 ЗАЩИТА РАДИАТОРА AND ТРУБЫ КОМПОНЕНТЫ ДВИГАТЕЛЯ И ЭЛЕКТРИКА

Схема запчастей Komatsu PC200LC-3 - ЗАЩИТА РАДИАТОРА AND ТРУБЫ КОМПОНЕНТЫ ДВИГАТЕЛЯ И ЭЛЕКТРИКА
FIT
1:1
100%

Артикул

Название

Примечание

Количество

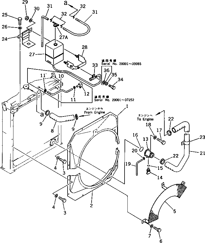
1

205-03-71140

SHROUD,UPPER

2

205-03-71150

SHROUD,LOWER

3

01010-50816

BOLT

4

01643-30823

WASHER

5

205-03-71161

GUARD

|5

205-03-71160

GUARD

6

01010-50816

BOLT

7

01643-30823

WASHER

8

205-03-71170

HOSE

9

07281-00909

CLAMP

10

09483-00305

HOSE

11

07281-00197

CLAMP

12

205-03-71480

ELBOW

13

205-03-71210

TUBE

14

205-03-62660

PLUG

15

07000-01007

O-RING

16

07000-02055

O-RING

17

01010-50825

BOLT

18

01643-30823

WASHER

19

205-03-71230

HOSE

20

07280-00910

CLAMP

21

205-03-71180

HOSE

22

07281-00709

CLAMP

23

205-03-71190

CLAMP

24

205-03-71251

BRACKET

25

01010-51225

BOLT

26

01643-31232

WASHER

27

205-03-71242

TANK,RESERVE

|27

205-03-71241

TANK,RESERVE

27A

205-03-71531

CAP

|27A

205-03-71530

CAP

28

205-03-71260

BAND

29

01580-10806

NUT

30

01643-30823

WASHER

31

206-03-43331

HOSE

|31

206-03-43330

HOSE¤ 400MM

32

206-03-43340

CLIP

33

08052-31711

CLIP

|33

08036-01814

CLIP

34

01010-50816

BOLT

35

01643-30823

WASHER

36

01643-31032

WASHER

Выбрано товаров: 42