Запчасти Komatsu PC200LC-3 АККУМУЛЯТОР КОМПОНЕНТЫ ДВИГАТЕЛЯ И ЭЛЕКТРИКА

Схема запчастей Komatsu PC200LC-3 - АККУМУЛЯТОР КОМПОНЕНТЫ ДВИГАТЕЛЯ И ЭЛЕКТРИКА
FIT
1:1
100%

Артикул

Название

Примечание

Количество

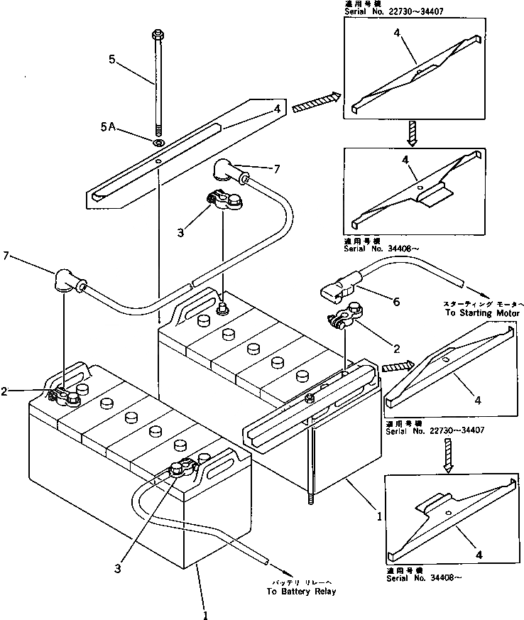
1

08000-32212

BATTERY (115E41R),(NS120)

2

08000-00000

TERMINAL¤ (+)

3

08000-00001

TERMINAL¤ (-)

4

205-06-71173

HOLDER

|4

205-06-71172

HOLDER

|4

205-06-71171

HOLDER

5

205-06-71180

BOLT

5A

01643-31232

WASHER

6

08038-22511

CAP

|6

08038-22009

CAP

7

08038-22009

CAP

|7

08038-00035

CAP

Выбрано товаров: 12