Запчасти Komatsu PC200LC-3 ГТР РЕГУЛИР. УПРАВЛЯЮЩ. КЛАПАН (С -STAGE SELECTOR MODE OLSS) УПРАВЛ-Е РАБОЧИМ ОБОРУДОВАНИЕМ

Схема запчастей Komatsu PC200LC-3 - ГТР РЕГУЛИР. УПРАВЛЯЮЩ. КЛАПАН (С -STAGE SELECTOR MODE OLSS) УПРАВЛ-Е РАБОЧИМ ОБОРУДОВАНИЕМ
FIT
1:1
100%

Артикул

Название

Примечание

Количество

|$0

708-25-01064

PUMP ASS'Y

|$1

708-25-01063

PUMP ASS'Y

|$2

708-25-01062

PUMP ASS'Y

|$3

708-25-01061

PUMP ASS'Y

|$4

708-25-01060

PUMP ASS'Y

|$5

708-25-10200

PUMP ASS'Y

|$6

708-25-07212

SERVO VALVE ASS'Y,REAR

|$7

708-25-07211

SERVO VALVE ASS'Y,REAR

|$8

708-25-07210

SERVO VALVE ASS'Y,REAR

|$9

708-25-16600

SERVO VALVE ASS'Y,REAR

|$10

708-25-07710

VALVE ASS'Y,TVC

|$11

708-25-18600

VALVE ASS'Y,TVC

|$12

708-23-07090

BODY ASS'Y

|$13

708-23-07051

BODY ASS'Y

|$14

708-23-07050

BODY ASS'Y

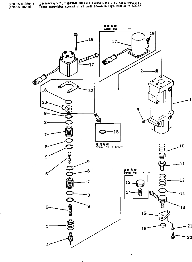
1

BODY

1

BODY

1

BODY

2

PLUG

3

EXPANDER

3

PLUG

4

708-23-18120

PISTON

5

708-23-18130

SLEEVE

6

708-25-18120

PISTON

6

708-23-18140

PISTON

7

708-23-18150

SLEEVE

8

07000-12016

O-RING

9

07001-02016

RING,BACK-UP

10

708-23-18161

SPOOL

11

708-23-18170

SEAT

12

708-23-18181

SPRING

13

708-23-15160

PLUG

13

708-23-15140

PLUG

14

07000-02018

O-RING

15

708-23-18210

COVER

16

01580-10806

NUT

17

708-23-18221

SOLENOID ASS'Y

17

708-23-18220

SOLENOID ASS'Y

18

07000-02016

O-RING

19

708-25-18250

BOLT

19

720-68-19750

BOLT

20

708-25-15320

BOLT

20

01252-30616

BOLT

21

01602-20619

WASHER,SPRING

22

708-25-18571

SHIM, 0.50MM

22

708-25-18570

SHIM, 0.50MM

23

708-25-18580

SHIM, 0.50MM

24

708-25-15340

SCREW

Выбрано товаров: 48