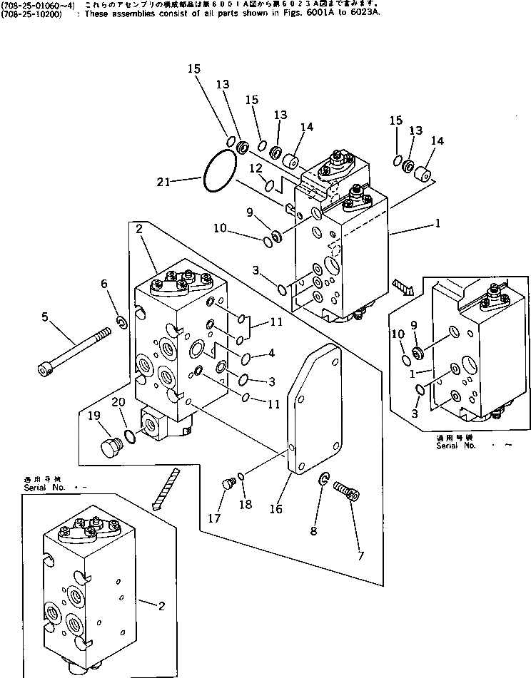
Запчасти Komatsu PC200LC-3 СЕРВОКЛАПАН¤ ПЕРЕДН. (/) (С -STAGE SELECTOR MODE OLSS) УПРАВЛ-Е РАБОЧИМ ОБОРУДОВАНИЕМ

Схема запчастей Komatsu PC200LC-3 - СЕРВОКЛАПАН¤ ПЕРЕДН. (/) (С -STAGE SELECTOR MODE OLSS) УПРАВЛ-Е РАБОЧИМ ОБОРУДОВАНИЕМ
FIT
1:1
100%

Артикул

Название

Примечание

Количество

|$0

708-25-01084

PUMP ASS'Y

|$1

708-25-01083

PUMP ASS'Y

|$2

708-25-01082

PUMP ASS'Y

|$3

708-25-01081

PUMP ASS'Y

|$4

708-25-01080

PUMP ASS'Y

|$5

708-25-30200

HYDRAULIC PUMP ASS'Y

|$6

708-25-07131

SERVO VALVE ASS'Y,FRONT

|$7

708-25-07130

SERVO VALVE ASS'Y,FRONT

|$8

708-25-35600

SERVO VALVE ASS'Y,FRONT

1

708-25-35200

VALVE SUB ASS'Y

2

708-25-07531

VALVE ASS'Y,CO AND NC

2

708-25-07530

VALVE ASS'Y,CO AND NC

2

708-25-37700

VALVE ASS'Y,CO AND NC

2

708-25-37600

VALVE ASS'Y,CO AND NC

3

07000-02011

O-RING

3

07000-02011

O-RING

4

07000-02018

O-RING

5

708-25-19160

BOLT

6

01602-20825

WASHER,SPRING

7

01252-30835

BOLT

8

01602-20825

WASHER,SPRING

9

720-68-11920

FILTER

9

720-68-11920

FILTER

10

07000-12010

O-RING

10

07000-12010

O-RING

11

07000-11009

O-RING

12

07000-11009

O-RING

13

720-68-11920

FILTER

14

708-25-19150

ORIFICE

15

07000-12010

O-RING

16

708-23-18241

PLATE

17

07040-11007

PLUG

18

07002-01023

O-RING

19

07040-11409

PLUG

20

07002-01423

O-RING

21

07000-03048

O-RING

Выбрано товаров: 36