Запчасти Komatsu PC200LC-3 ПАНЕЛЬ ПРИБОРОВ (/) (ДЛЯ УДЛИНН. РЫЧАГ УПРАВЛ-Е)(№9-) КОМПОНЕНТЫ ДВИГАТЕЛЯ И ЭЛЕКТРИКА

Схема запчастей Komatsu PC200LC-3 - ПАНЕЛЬ ПРИБОРОВ (/) (ДЛЯ УДЛИНН. РЫЧАГ УПРАВЛ-Е)(№9-) КОМПОНЕНТЫ ДВИГАТЕЛЯ И ЭЛЕКТРИКА
FIT
1:1
100%

Артикул

Название

Примечание

Количество

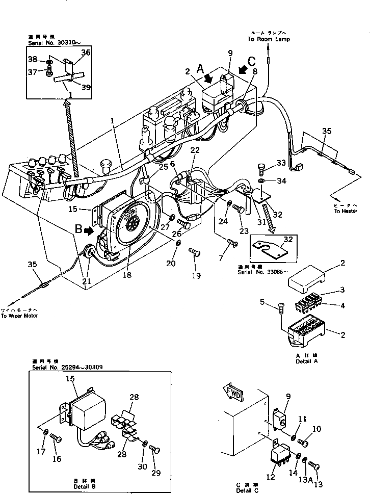
1

207-06-31152

WIRING HARNESS

1

207-06-31151

WIRING HARNESS

1

207-06-31150

WIRING HARNESS

2

205-06-71480

FUSE BOX

3

205-06-73180

FUSE, 15A

4

22W-06-13160

FUSE, 20A

5

01220-40616

SCREW

6

283-06-17120

CLIP

7

01220-40616

SCREW

8

08037-02512

GROMMET

9

207-06-31160

BUZZER

10

01220-40412

SCREW

11

01642-20405

WASHER

12

206-06-41130

RELAY,HORN

13

01220-40616

SCREW

13A

01602-20619

WASHER,SPRING

14

01643-30623

WASHER

15

7861-72-3000

CONTROLLER ASS'Y

16

01220-40616

SCREW

17

01643-30623

WASHER

18

20G-06-15120

SPEAKER

19

01220-40420

SCREW

20

01641-20405

WASHER

21

08037-02512

GROMMET

22

205-06-72580

CLIP

23

01010-50816

BOLT

24

01643-30823

WASHER

25

08036-02514

CLIP

26

01010-51025

BOLT

27

01643-31032

WASHER

28

283-06-17130

CLIP

29

01220-40608

SCREW

30

01641-20608

WASHER

31

205-06-72410

GROMMET

32

205-06-72211

COVER

33

01010-51025

BOLT

34

01643-31032

WASHER

35

205-54-72710

CLIP

36

205-06-72620

PLATE

37

01235-50408

SCREW

38

01641-20405

WASHER

39

08034-00414

BAND

Выбрано товаров: 42