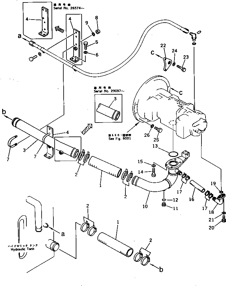
Запчасти Komatsu PC200LC-3 ГИДРОЛИНИЯ (ИЗ БАКА В НАСОС)(№-7) УПРАВЛ-Е РАБОЧИМ ОБОРУДОВАНИЕМ

Схема запчастей Komatsu PC200LC-3 - ГИДРОЛИНИЯ (ИЗ БАКА В НАСОС)(№-7) УПРАВЛ-Е РАБОЧИМ ОБОРУДОВАНИЕМ
FIT
1:1
100%

Артикул

Название

Примечание

Количество

1

205-62-74650

HOSE

1

07260-27436

HOSE

2

20D-09-11130

CLAMP

3

205-62-71253

TUBE

3

205-62-71252

TUBE

4

205-62-71941

BRACKET

4

205-62-71940

BRACKET

5

01010-51230

BOLT

6

01643-31232

WASHER

7

07283-27663

CLIP

8

01599-01011

NUT

9

01643-31032

WASHER

10

205-62-71242

TUBE

10

205-62-71241

TUBE

11

07040-11812

PLUG

12

07002-01823

O-RING

13

07000-02075

O-RING

14

01010-51235

BOLT

15

01643-31232

WASHER

16

07260-02616

HOSE

17

07281-00489

CLAMP

18

205-62-71261

TUBE

18

205-62-71260

TUBE

19

07000-03028

O-RING

20

01010-51030

BOLT

21

01643-31032

WASHER

22

205-01-67170

PLATE

23

01010-51055

BOLT

24

01643-31032

WASHER

25

01010-51040

BOLT

26

01643-31032

WASHER

Выбрано товаров: 31