Качественные детали и логистика
Оригинальные и аналоговые запчасти с доставкой по России, Казахстану и Беларуси
©2022 PartSell ООО "Система" ИНН 2463123282 ОГРН 1212400004838
Центральный офис: г. Красноярск, Академика Киренского, д.87, пом.4
Телефон: 8 (800) 777-65-74 Email: zakaz@partsell.ru
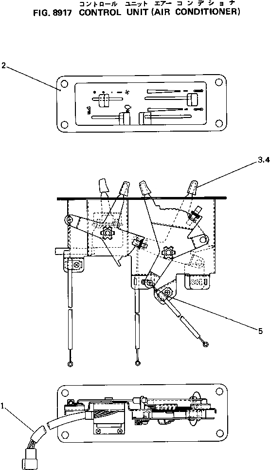
УПРАВЛ-Е БЛОК (КОНДИЦ. ВОЗДУХА)
№
Артикул
Название
Примечание
Количество
|$0
205-979-6160
CONTROL ASS'Y
1
205-979-7700
SWITCH
2
205-979-7710
ORNAMENT
3
205-979-7720
KNOB
4
205-979-7730
CLIP
5
205-979-7740
CLAMP
Выбрано товаров: 0