Запчасти Komatsu PC200LC-3 ЭЛЕКТРИКА (/) (REGULATION OF SWEDEN)(№9-) СПЕЦ. APPLICATION ЧАСТИ¤ МАРКИРОВКА¤ ИНСТРУМЕНТ И РЕМКОМПЛЕКТЫ

Схема запчастей Komatsu PC200LC-3 - ЭЛЕКТРИКА (/) (REGULATION OF SWEDEN)(№9-) СПЕЦ. APPLICATION ЧАСТИ¤ МАРКИРОВКА¤ ИНСТРУМЕНТ И РЕМКОМПЛЕКТЫ
FIT
1:1
100%

Артикул

Название

Примечание

Количество

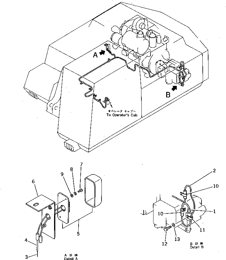
1

205-06-71841

SWITCH

2

205-06-71951

WIRE ASS'Y

3

175-06-37391

WIRE

4

08023-06110

TUBE

5

08141-02400

LAMP

6

205-06-71970

BRACKET

7

01220-40412

SCREW

8

01601-20410

WASHER,SPRING

9

01641-20405

WASHER

10

08036-01814

CLIP

11

08036-10814

CLIP

12

01010-51016

BOLT

13

01643-31032

WASHER

Выбрано товаров: 13