Запчасти Komatsu PC200LC-3 MODIFIED ШАССИ ЧАСТИ (REGULATION OF SWEDEN) СПЕЦ. APPLICATION ЧАСТИ¤ МАРКИРОВКА¤ ИНСТРУМЕНТ И РЕМКОМПЛЕКТЫ

Схема запчастей Komatsu PC200LC-3 - MODIFIED ШАССИ ЧАСТИ (REGULATION OF SWEDEN) СПЕЦ. APPLICATION ЧАСТИ¤ МАРКИРОВКА¤ ИНСТРУМЕНТ И РЕМКОМПЛЕКТЫ
FIT
1:1
100%

Артикул

Название

Примечание

Количество

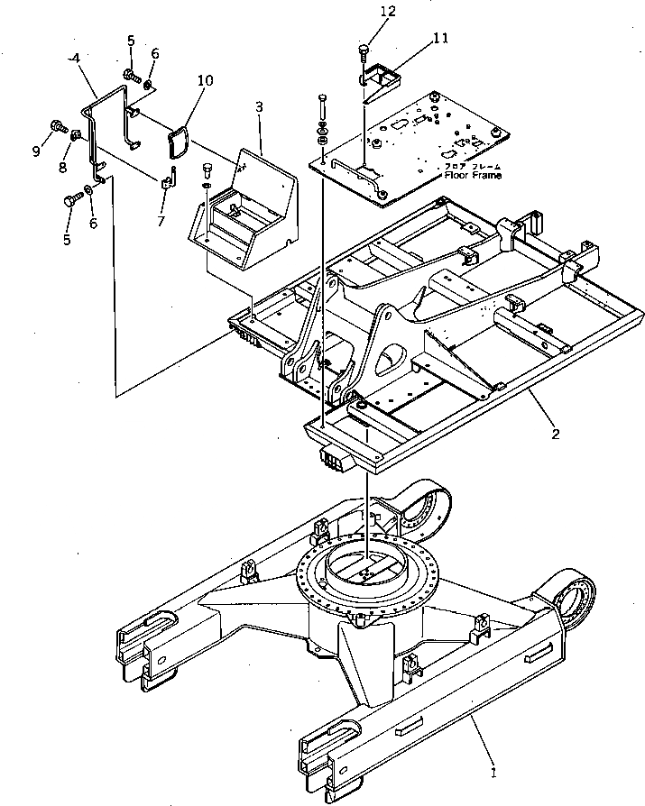
1

205-30-71360

FRAME,TRACK

2

205-46-73212

FRAME,REVOLVING

2

205-46-73211

FRAME,REVOLVING

3

205-54-77271

COVER

3

205-54-77270

COVER

4

205-54-77110

HAND RAIL

5

01010-51225

BOLT

6

01643-31232

WASHER

7

205-54-68480

SUPPORT

8

207-54-17840

CLAMP

9

01252-41025

BOLT

10

08174-33023

MIRROR

11

205-43-71630

COVER

12

01010-51240

BOLT

Выбрано товаров: 14