/ / / / / / НАСОС АВТОМАТИЧ. ЗАПРАВКИ
Запчасти Komatsu PC200LC-5 НАСОС АВТОМАТИЧ. ЗАПРАВКИ КОМПОНЕНТЫ ДВИГАТЕЛЯ И ЭЛЕКТРИКА
G-1
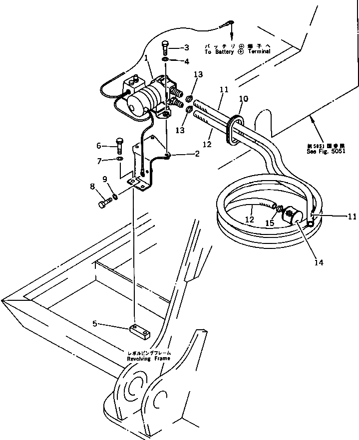
20Y-04-X1141
PUMP GROUP
1
20Y-04-11190
PUMP
2
20Y-04-11180
BRACKET
3
01010-50830
BOLT
4
01643-30823
WASHER
5
01573-22308
SEAT (WELDED)
6
01010-51225
BOLT
7
01643-31232
WASHER
8
01010-50820
BOLT
9
01643-30823
WASHER
10
20Y-54-14650
GROMMET
11
07261-22022
HOSE
12
07261-22050
HOSE
13
07281-00359
CLAMP
14
207-04-31150
STRAINER
15
07281-00359
CLAMP
Выбрано товаров: 0