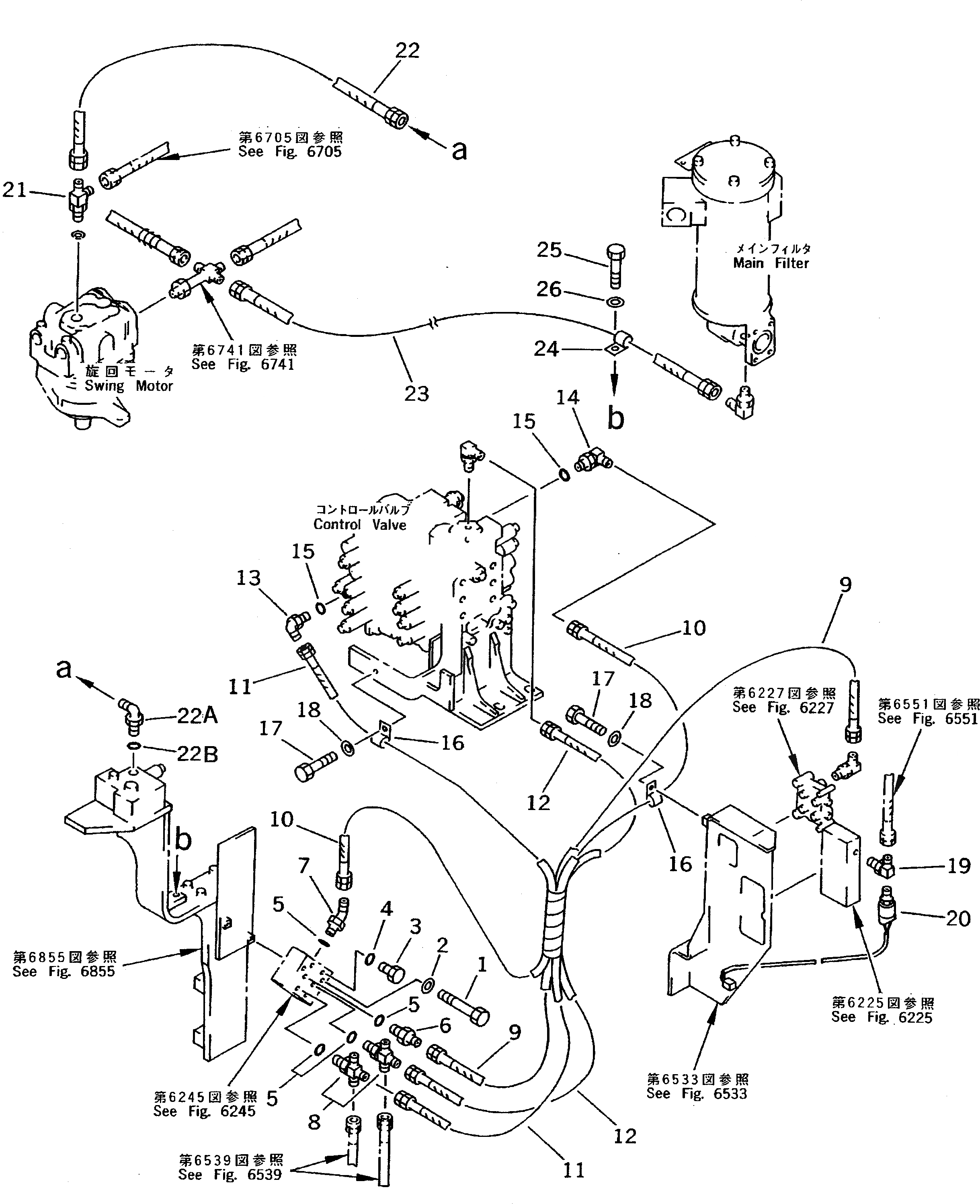
Запчасти Komatsu PC200LC-5 ГЛАВН. ТРУБЫ (РАСПРЕДЕЛИТ. КЛАПАН - УПРАВЛЯЮЩ. КЛАПАН) ( КЛАПАНS) (№-78¤79-88) УПРАВЛ-Е РАБОЧИМ ОБОРУДОВАНИЕМ

Схема запчастей Komatsu PC200LC-5 - ГЛАВН. ТРУБЫ (РАСПРЕДЕЛИТ. КЛАПАН - УПРАВЛЯЮЩ. КЛАПАН) ( КЛАПАНS) (№-78¤79-88) УПРАВЛ-Е РАБОЧИМ ОБОРУДОВАНИЕМ
FIT
1:1
100%

Артикул

Название

Примечание

Количество

G-1

20Y-970-X441

PIPING GROUP

1

01010-51070

BOLT

2

01643-31032

WASHER

3

07040-11409

PLUG

4

07002-01423

O-RING

5

07002-01423

O-RING

6

205-62-55270

NIPPLE

7

22X-61-18550

ELBOW

8

20Y-970-1650

TEE

9

20Y-62-17220

HOSE,(RED)

10

20Y-62-17260

HOSE,(BLUE)

11

20Y-62-17220

HOSE,(YELLOW)

12

20Y-62-17170

HOSE

13

22X-61-18550

ELBOW

14

207-62-33920

ELBOW

15

07002-01423

O-RING

16

113-899-7950

CLIP

17

01010-51225

BOLT

18

01643-31232

WASHER

19

205-966-3790

ELBOW

20

20Y-06-15190

SWITCH

21

21T-62-74610

ELBOW

22

20Y-970-2210

HOSE

22A

07235-10628

ELBOW

22B

07002-02434

O-RING

23

20Y-970-2230

HOSE

24

08035-03014

CLIP

25

01010-51225

BOLT

26

01643-31232

WASHER

Выбрано товаров: 0