Запчасти Komatsu PC200LC-5 МАРКИРОВКА (ШАССИ) (PCLCSS) (ЯПОН.) МАРКИРОВКА¤ ИНСТРУМЕНТ И РЕМКОМПЛЕКТЫ

Схема запчастей Komatsu PC200LC-5 - МАРКИРОВКА (ШАССИ) (PCLCSS) (ЯПОН.) МАРКИРОВКА¤ ИНСТРУМЕНТ И РЕМКОМПЛЕКТЫ
FIT
1:1
100%

Артикул

Название

Примечание

Количество

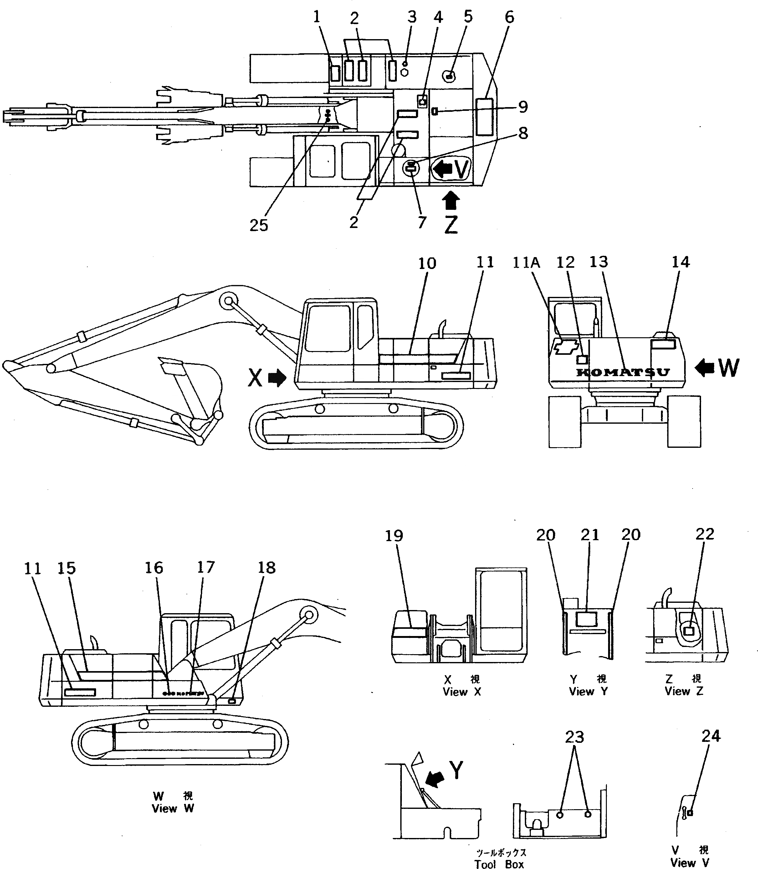
1

154-54-23260

SEAT

|1

20Y-54-12740

SEAT

2

154-54-23260

SEAT

3

09669-00002

PLATE¤ CAUTION,FUEL

4

09650-00104

PLATE¤ INSTRUCTION,WATER LEVEL

5

09668-00100

PLATE¤ SAFETY,RADIATOR CAP

6

20Y-54-12730

SEAT

7

09653-00100

PLATE¤ SAFETY,CAP

8

09669-00003

PLATE¤ CAUTION,HYDRAULIC OIL

9

09667-00100

PLATE¤ SAFETY

10

20Y-00-11390

PLATE¤ MARK

11

20Y-00-11271

PLATE¤ MARK,PC200LC

11A

203-00-42130

PLATE¤ MARK

12

20Y-00-11520

PLATE¤ MARK

13

20Y-00-11142

PLATE¤ NAME

14

203-00-51210

PLATE¤ CAUTION

15

20Y-00-11251

PLATE¤ MARK

16

09694-50160

PLATE¤ MARK

17

09690-50500

PLATE¤ MARK

18

09602-01643

PLATE¤ NAME

|18

01220-60408

SCREW

19

20Y-00-11261

PLATE¤ MARK

20

20Y-00-11630

PLATE

21

20Y-00-11321

PLATE

22

09637-00661

PLATE¤ INSTRUCTION,AIR CLEANER

23

20Y-00-11350

PLATE

24

205-00-73360

PLATE¤ OPERATING

25

207-00-31630

PLATE¤ MARK

Выбрано товаров: 28