Запчасти Komatsu PC200LC-5C ЛЕВ. COVER(№-88) ЧАСТИ КОРПУСА

Схема запчастей Komatsu PC200LC-5C - ЛЕВ. COVER(№-88) ЧАСТИ КОРПУСА
FIT
1:1
100%

Артикул

Название

Примечание

Количество

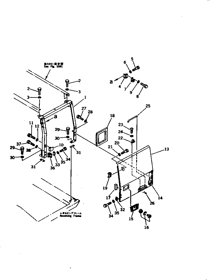
1

20Y-54-12213

FRAME

2

01010-51230

BOLT

3

01643-31232

WASHER

4

20Y-54-12941

PLATE

5

01010-51225

BOLT

6

01643-31232

WASHER

7

20Y-54-12920

CLAMP

8

01010-51020

BOLT

9

01643-31032

WASHER

10

20Y-54-12380

PLATE

11

01010-51025

BOLT

12

01643-31032

WASHER

13

20Y-54-17520

DOOR

14

20Y-54-12750

HINGE (WELDED)

15

421-54-11372

LOCK ASS'Y (WELDED)

16

421-54-11381

LOCK

17

20Y-54-12760

SEAL

18

20Y-54-16190

SEAL

19

207-54-31870

BRACKET

20

01010-51020

BOLT

21

01643-31032

WASHER

22

20B-54-12210

SPRING

23

01220-40408

SCREW

24

01641-20405

WASHER

25

205-54-64140

BAR

26

04050-13018

PIN,COTTER

27

01010-51225

BOLT

28

20Y-54-12670

WASHER

29

01010-51230

BOLT

30

01643-31232

WASHER

31

20Y-54-12690

PLATE, 1.0MM

31

20Y-54-12680

PLATE, 3.2MM

32

205-54-53550

DOVE TAIL

33

205-54-51970

DOVE TAIL

34

01010-50616

BOLT

35

01643-30623

WASHER

36

20Y-54-12980

BRACKET

37

01010-51025

BOLT

38

01643-31032

WASHER

Выбрано товаров: 39