Запчасти Komatsu PC200LC-5S ДЕМПФЕР КОМПОНЕНТЫ ДВИГАТЕЛЯ И ЭЛЕКТРИКА

Схема запчастей Komatsu PC200LC-5S - ДЕМПФЕР КОМПОНЕНТЫ ДВИГАТЕЛЯ И ЭЛЕКТРИКА
FIT
1:1
100%

Артикул

Название

Примечание

Количество

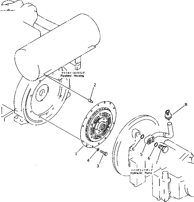
1

20Y-01-11112

DAMPER,DISC

|1

20Y-01-11111

DAMPER,DISC

2

203-01-51120

PIN

3

01010-51020

BOLT

4

01643-31032

WASHER

5

20Y-01-11230

TUBE

6

07000-03030

O-RING

7

20Y-01-11220

BOLT

8

207-01-31150

GAUGE

Выбрано товаров: 9