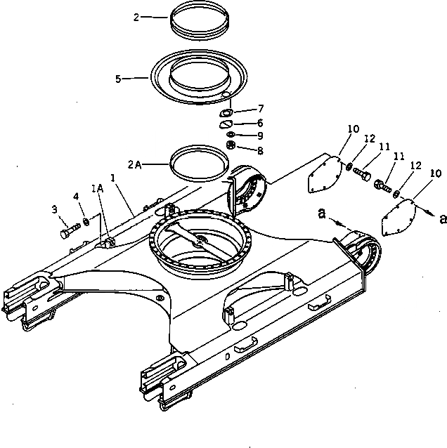
Запчасти Komatsu PC200LC-5S ГУСЕНИЧНАЯ РАМА ХОДОВАЯ

Схема запчастей Komatsu PC200LC-5S - ГУСЕНИЧНАЯ РАМА ХОДОВАЯ
FIT
1:1
100%

Артикул

Название

Примечание

Количество

1

20Y-30-11521

FRAME

1A

20Y-30-11720

PLATE

2

205-30-71171

SEAL

|2

205-30-71170

SEAL

2A

20Y-30-11370

SEAL

3

01010-31675

BOLT

4

01643-31645

WASHER

G-1

20Y-30-X2261

COVER GROUP

5

20Y-30-11232

COVER

6

205-30-71181

COVER

7

205-30-71191

GASKET

8

01580-11008

NUT

9

01643-31032

WASHER

G-2

20Y-30-X2271

FINAL COVER GROUP

10

20Y-30-11420

COVER

11

01010-51230

BOLT

12

01643-31232

WASHER

Выбрано товаров: 17