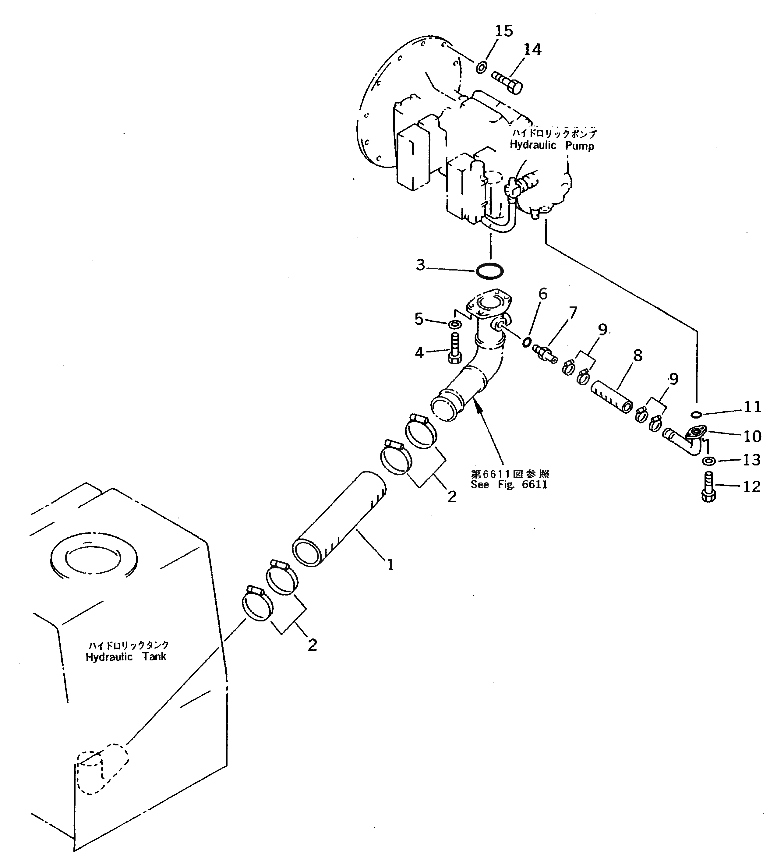
Запчасти Komatsu PC200LC-5T ИЗ БАКА В НАСОС ТРУБЫ (МОРОЗОУСТОЙЧИВ. СПЕЦ-Я) УПРАВЛ-Е РАБОЧИМ ОБОРУДОВАНИЕМ

Схема запчастей Komatsu PC200LC-5T - ИЗ БАКА В НАСОС ТРУБЫ (МОРОЗОУСТОЙЧИВ. СПЕЦ-Я) УПРАВЛ-Е РАБОЧИМ ОБОРУДОВАНИЕМ
FIT
1:1
100%

Артикул

Название

Примечание

Количество

1

07260-27445

HOSE

2

20D-09-11130

CLAMP

3

07000-02075

O-RING

4

01010-51235

BOLT

5

01643-31232

WASHER

6

07002-03334

O-RING

7

20Y-62-11970

CONNECTOR

8

07260-02612

HOSE

9

207-09-11110

CLAMP

10

20Y-62-11960

TUBE

11

07000-03028

O-RING

12

01010-51030

BOLT

13

01643-31032

WASHER

14

01010-51040

BOLT

15

01643-31032

WASHER

Выбрано товаров: 15