Качественные детали и логистика
Оригинальные и аналоговые запчасти с доставкой по России, Казахстану и Беларуси
©2022 PartSell ООО "Система" ИНН 2463123282 ОГРН 1212400004838
Центральный офис: г. Красноярск, Академика Киренского, д.87, пом.4
Телефон: 8 (800) 777-65-74 Email: zakaz@partsell.ru
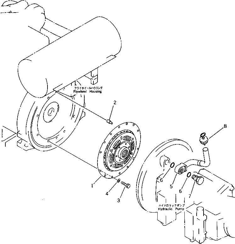
ДЕМПФЕР
№
Артикул
Название
Примечание
Количество
1
20Y-01-11112
DAMPER,DISC
20Y-01-11111
2
203-01-51120
PIN
3
01010-51020
BOLT
4
01643-31032
WASHER
5
20Y-01-11230
TUBE
6
07000-03030
O-RING
7
20Y-01-11220
8
207-01-31150
GAUGE
Выбрано товаров: 0