Запчасти Komatsu PC200LC-5T ГУСЕНИЧНАЯ РАМА ХОД И ХОДОВАЯ

Схема запчастей Komatsu PC200LC-5T - ГУСЕНИЧНАЯ РАМА ХОД И ХОДОВАЯ
FIT
1:1
100%

Артикул

Название

Примечание

Количество

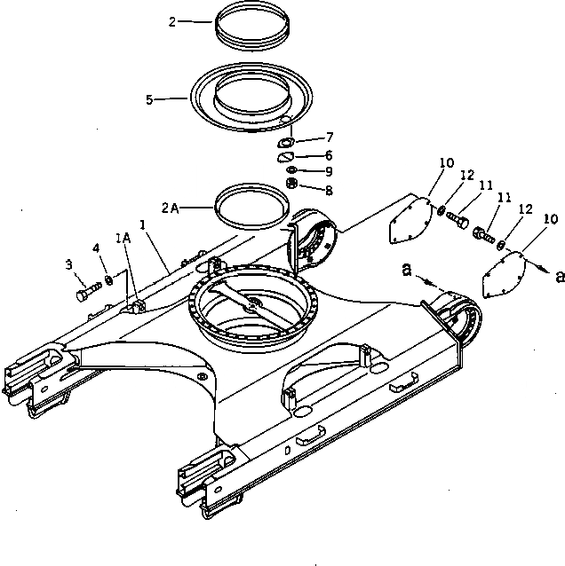
1

20Y-973-1650

FRAME

1A

20Y-30-11720

PLATE

2

205-30-71171

SEAL

2

205-30-71170

SEAL

2A

20Y-30-11370

SEAL

3

01010-31675

BOLT

4

01643-31645

WASHER

5

20Y-30-11232

COVER

6

205-30-71181

COVER

7

205-30-71191

GASKET

8

01580-11008

NUT

9

01643-31032

WASHER

10

20Y-30-11420

COVER,L.H.

11

01010-51230

BOLT

12

01643-31232

WASHER

Выбрано товаров: 15