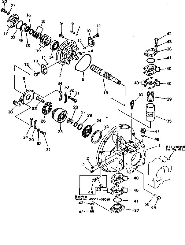
Запчасти Komatsu PC200LC-5X ГИДР. НАСОС. (/) (НАСОС SUB В СБОРЕ¤ ПЕРЕДН.) УПРАВЛ-Е РАБОЧИМ ОБОРУДОВАНИЕМ

Схема запчастей Komatsu PC200LC-5X - ГИДР. НАСОС. (/) (НАСОС SUB В СБОРЕ¤ ПЕРЕДН.) УПРАВЛ-Е РАБОЧИМ ОБОРУДОВАНИЕМ
FIT
1:1
100%

Артикул

Название

Примечание

Количество

G-1

20Y-60-X1261

PUMP GROUP

|1

708-25-04051

PUMP ASS'Y

|1

708-25-04014

PUMP ASS'Y

|1

708-25-04013

PUMP ASS'Y

|1

708-25-04012

PUMP ASS'Y

|1

708-25-04151

PUMP SUB ASS'Y

|1

708-25-04112

PUMP SUB ASS'Y

|1

708-25-04111

PUMP SUB ASS'Y

|1

708-25-00630

CASE ASS'Y,FRONT

|1

708-25-00471

CASE ASS'Y,FRONT

1

CASE,FRONT

|1

CASE,FRONT

2

PLUG

|3

708-25-00031

CRADLE ASS'Y,FRONT

|3

708-25-00480

CRADLE SUB ASS'Y,FRONT

3

CRADLE,FRONT

4

PLUG

5

708-25-13411

CAM,ROCKER

6

708-25-12330

JOINT

7

07000-22015

O-RING

|7

708-25-13930

O-RING

8

708-25-12340

O-RING

9

708-25-12390

BOLT

10

708-25-12360

PLATE

11

04020-00820

PIN,DOWEL

12

01010-30816

BOLT

13

708-25-12711

SHAFT,FRONT

14

708-25-12731

BEARING

15

708-25-05010

WASHER KIT

|15

WASHER¤ 2.0MM

|15

WASHER¤ 2.1MM

|15

WASHER¤ 2.2MM

16

708-25-12790

RING,SNAP

17

708-25-12812

HOUSING

18

708-25-52860

SEAL,OIL

19

708-25-05130

SHIM KIT

|19

SHIM¤ 0.10MM

|19

SHIM¤ 0.20MM

20

01010-30820

BOLT

21

01643-30823

WASHER

22

07000-02080

O-RING

|23

708-25-00401

BLOCK ASS'Y,CYLINDER

|23

708-25-00400

BLOCK ASS'Y,CYLINDER

23

708-25-13151

BLOCK,CYLINDER

24

708-25-13611

PLATE,VALVE

|24

708-25-13610

PLATE,VALVE

25

708-25-13630

RING

26

708-25-13422

RETAINER,SHOE

27

708-25-13120

WASHER

28

708-25-13130

SPRING

29

708-25-13140

RING,SNAP

30

708-25-13441

RETAINER

31

708-25-13470

SCREW

32

01643-30623

WASHER

33

708-25-13312

PISTON SUB ASS'Y

34

708-25-05061

SPACER KIT

|34

SPACER¤ 11.540MM

|34

SPACER¤ 11.560MM

|34

SPACER¤ 11.575MM

35

708-25-14211

PISTON

36

708-25-14140

CAP

37

708-25-14150

CAP

38

708-25-14121

SLIDER

39

708-25-14130

SPRING

40

708-25-05050

SHIM KIT

|40

SHIM¤ 0.1MM

|40

SHIM¤ 0.1MM

|40

SHIM¤ 0.2MM

|40

SHIM¤ 0.5MM

41

07000-02065

O-RING

42

01016-31035

BOLT

43

01643-31032

WASHER

44

720-68-19870

PLUG

45

07002-01223

O-RING

46

708-25-12970

RING,SNAP

47

07044-02412

PLUG

48

07002-02434

O-RING

49

07040-11209

PLUG

50

07002-01223

O-RING

51

04530-01018

BOLT,EYE

Выбрано товаров: 80