Запчасти Komatsu PC200LC-5X ГРЕЙФЕРН. ТРУБЫ РАБОЧЕЕ ОБОРУДОВАНИЕ

Схема запчастей Komatsu PC200LC-5X - ГРЕЙФЕРН. ТРУБЫ РАБОЧЕЕ ОБОРУДОВАНИЕ
FIT
1:1
100%

Артикул

Название

Примечание

Количество

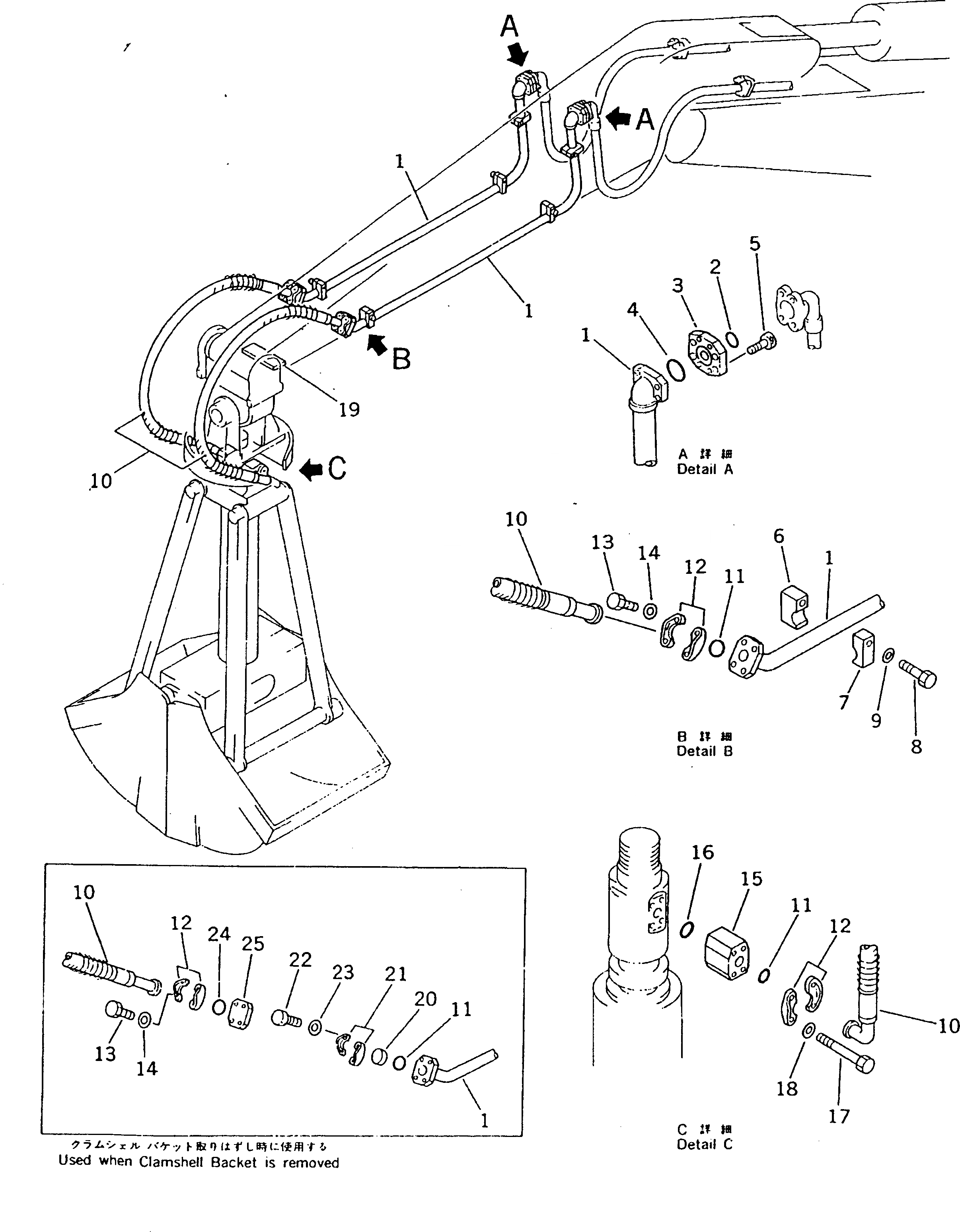
G-1

20Y-931-X101

CLAMSHELL GROUP

1

205-931-7110

TUBE,(FOR STANDARD ARM)

2

07000-13025

O-RING

3

209-62-12730

PLATE

4

07000-13035

O-RING

5

01252-41020

BOLT

6

205-931-6120

CLAMP (WELDED)

7

205-931-6130

CLAMP

8

01010-31250

BOLT

9

01643-31232

WASHER

10

07098-21020

HOSE

11

07000-13032

O-RING

12

07371-31049

FLANGE,SPLIT

13

07372-01030

BOLT

14

01643-51032

WASHER

15

205-931-3150

FLANGE

16

07000-13035

O-RING

17

205-931-6140

BOLT

18

01643-51032

WASHER

19

205-931-3170

PLATE (WELDED)

20

07378-11000

HEAD,SLEEVE

21

07371-31049

FLANGE,SPLIT

22

07372-01030

BOLT

23

01643-51032

WASHER

24

07000-13032

O-RING

25

07379-01044

FLANGE

Выбрано товаров: 26