Запчасти Komatsu PC200LC-6 КЕРАМИЧ. ГЛУШИТЕЛЬ(№8-9998) КОМПОНЕНТЫ ДВИГАТЕЛЯ

Схема запчастей Komatsu PC200LC-6 - КЕРАМИЧ. ГЛУШИТЕЛЬ(№8-9998) КОМПОНЕНТЫ ДВИГАТЕЛЯ
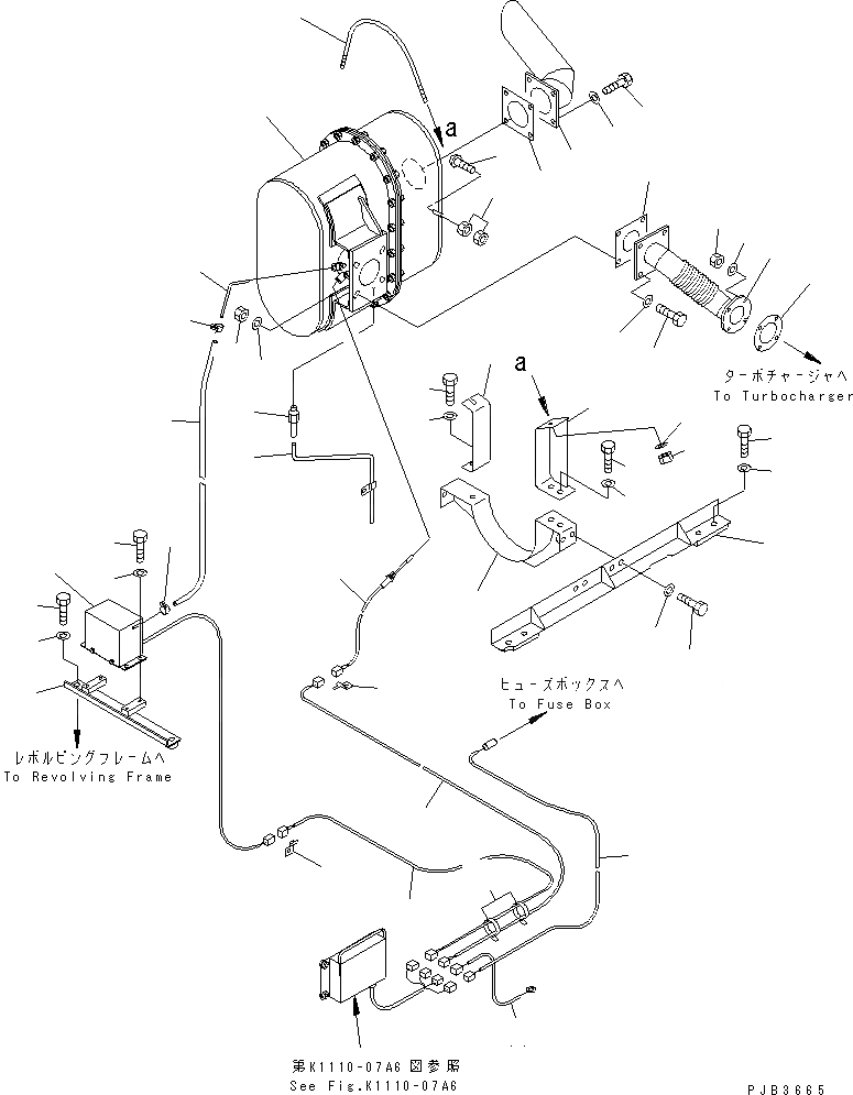
1
2
3
4
5
6
7
8
9
9
10
11
12
13
14
15
16
17
18
19
20
21
22
23
24
25
26
27
28
29
30
31
32
33
34
35
36
37
38
38
39
40
41
42
43
44
45
46
47
48
49
FIT
1:1
100%

Артикул

Название

Примечание

Количество

1

6138-12-5512

MUFFLER,CERAMIC

2

01220-40540

SCREW

3

01580-10504

NUT

4

20Y-01-21570

TUBE

5

01580-10806

NUT

6

01643-30823

WASHER

7

6205-11-5820

GASKET

8

01010-51240

BOLT

9

01643-31232

WASHER

10

01580-11210

NUT

11

6138-11-5810

GASKET

12

20Y-01-21560

PIPE

13

01010-51225

BOLT

14

01643-31232

WASHER

15

6138-11-5810

GASKET

16

6124-11-6151

NIPPLE

17

6209-11-5490

TUBE

18

20Y-54-23820

FRAME

19

01010-51240

BOLT

20

01643-31232

WASHER

21

20Y-01-21530

BRACKET

22

01010-51225

BOLT

23

01643-31232

WASHER

24

20Y-01-21540

BRACKET

25

01010-51225

BOLT

26

01643-31232

WASHER

27

20Y-01-21520

BRACKET

28

01010-51225

BOLT

29

01643-31232

WASHER

30

20Y-01-21510

U-BOLT

31

01580-11008

NUT

32

01643-31032

WASHER

33

6138-82-5560

SENSOR

34

08053-01512

CLIP

35

20Y-01-21621

WIRING HARNESS

36

6138-12-5570

TUBE

37

07288-20645

HOSE

38

07285-00100

CLIP

39

6138-82-5550

SENSOR

40

20Y-01-21551

BRACKET

41

01010-50816

BOLT

42

01643-50823

WASHER

43

01010-51245

BOLT

44

01643-51232

WASHER

45

20Y-01-21611

WIRING HARNESS

46

08053-01512

CLIP

47

20Y-01-21581

WIRING HARNESS

48

20Y-01-21591

WIRING HARNESS

49

08034-00519

BAND

Выбрано товаров: 49