Запчасти Komatsu PC200LC-6J КОНДИЦ. ВОЗДУХА (БЛОК) (CUMMINS)(№9-) КАБИНА ОПЕРАТОРА И СИСТЕМА УПРАВЛЕНИЯ

Схема запчастей Komatsu PC200LC-6J - КОНДИЦ. ВОЗДУХА (БЛОК) (CUMMINS)(№9-) КАБИНА ОПЕРАТОРА И СИСТЕМА УПРАВЛЕНИЯ
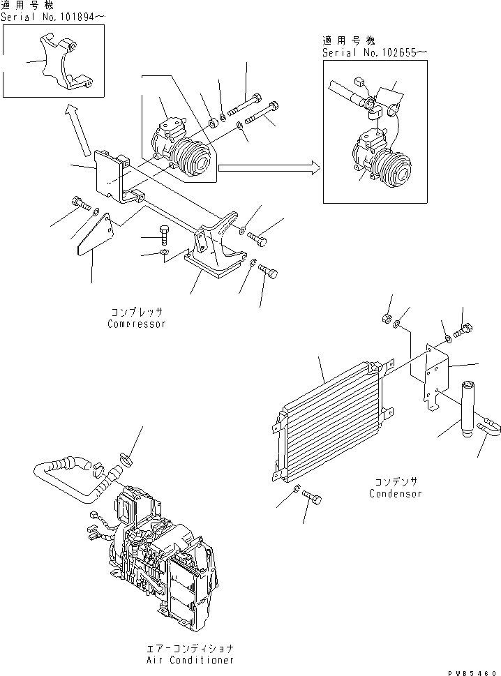
1
2
3
4
5
6
7
8
9
10
11
12
12
13
14
15
16
16
17
17
18
18
19
20
21
22
23
24
25
26
27
FIT
1:1
100%

Артикул

Название

Примечание

Количество

1

07281-00419

CLAMP

2

203-979-6281

CONDENSER ASS'Y

3

20Y-979-3120

TANK

4

01010-81025

BOLT

5

01643-31032

WASHER

6

20Y-979-2851

BRACKET

7

01010-81025

BOLT

8

01643-31032

WASHER

9

07283-26155

CLIP

10

01599-01011

NUT

11

01643-31032

WASHER

12

20Y-979-3111

AIR COMPRESSOR A.

|12

20Y-979-3110

AIR COMPRESSOR A.

13

20Y-979-3411

BRACKET

14

01010-81035

BOLT

15

01643-31032

WASHER

16

20Y-979-3422

BRACKET

|16

20Y-979-3421

BRACKET

17

01010-81435

BOLT

18

01643-31445

WASHER

19

01010-80885

BOLT

20

01643-30823

WASHER

21

01010-80895

BOLT

22

01643-30823

WASHER

23

6204-81-6740

SPACER

24

20Y-03-21680

PLATE

25

01010-81025

BOLT

26

01643-31032

WASHER

27

08034-00519

BAND

Выбрано товаров: 29